EasyManua.ls Logo

Corghi ProLine 60 - Page 88

Corghi ProLine 60
Print Icon
To Next Page IconTo Next Page
To Next Page IconTo Next Page
To Previous Page IconTo Previous Page
To Previous Page IconTo Previous Page
Loading...
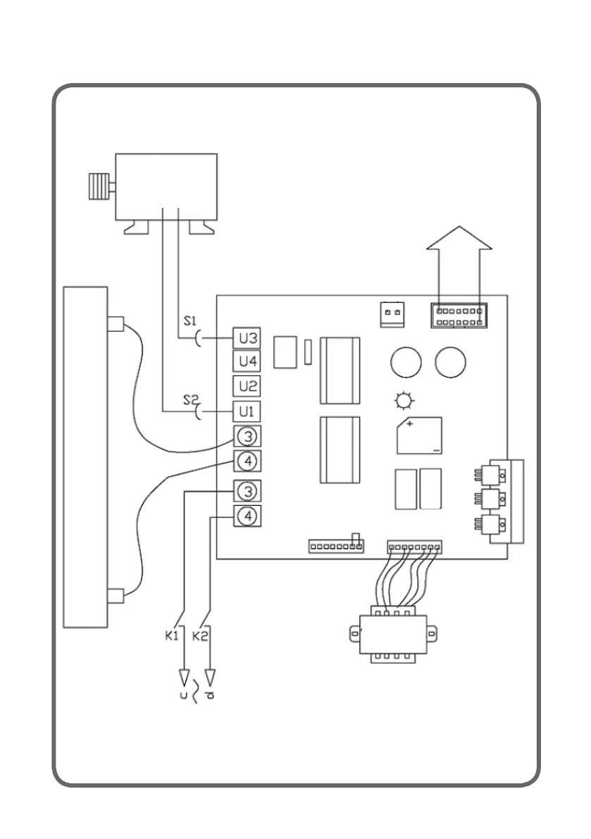
88 ProLine 60 - Manuel d'utilisation
Pour activer le lancement, appuyer UNIQUEMENT sur la touche START, effectuer
la configuration indiquée page 83 et page 84 du manuel d'utilisation).
MOTEUR
VERS CPU
PUISSANCE
TRANSFORMATEUR
RÉSISTANCE DE FREINAGE
FUSIBLE
FUSIBLE

Table of Contents

Related product manuals