EasyManua.ls Logo

Corken Z2000 - Page 37

Default Icon
48 pages
Print Icon
To Next Page IconTo Next Page
To Next Page IconTo Next Page
To Previous Page IconTo Previous Page
To Previous Page IconTo Previous Page
Loading...
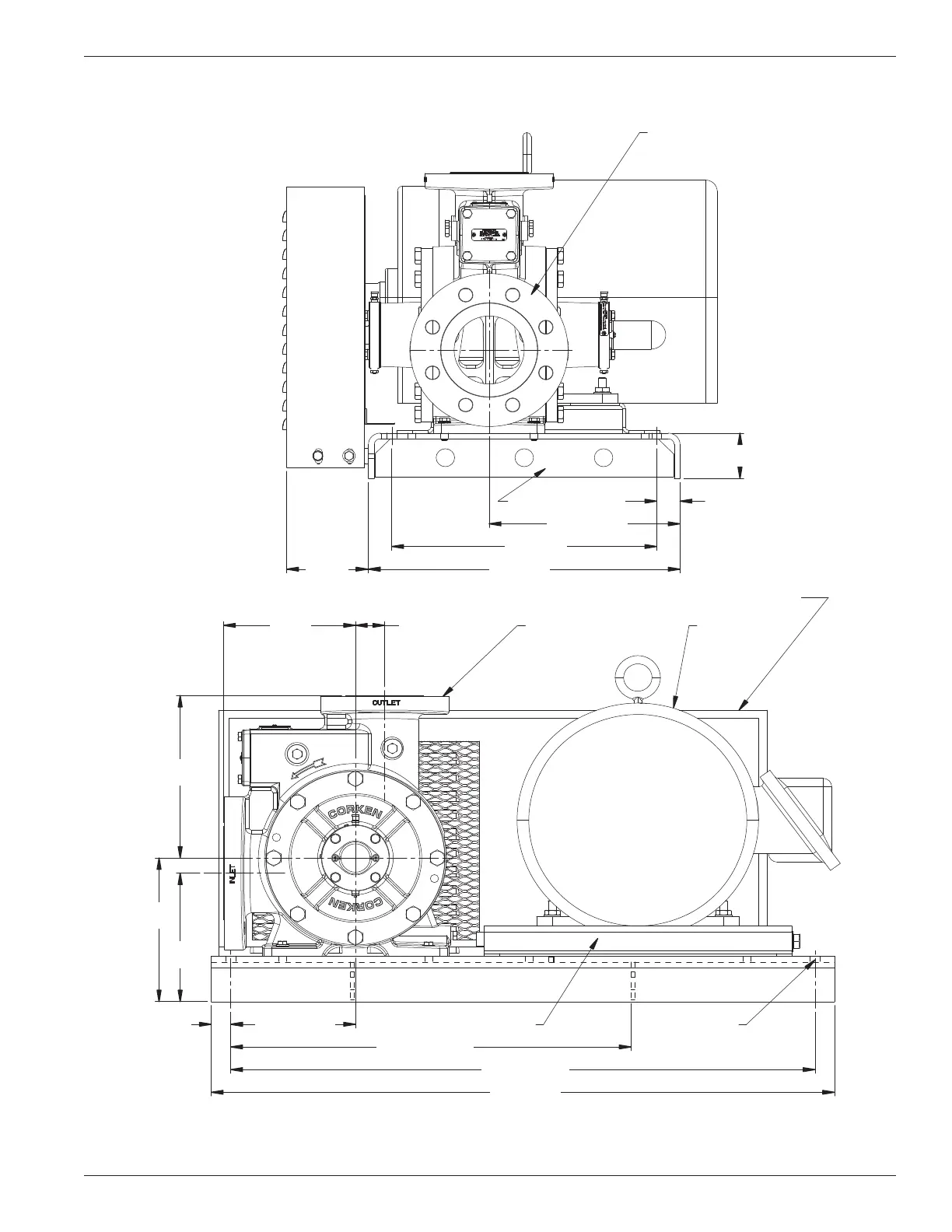
Appendix DOutline Dimensions for Z4500103 Mounting
20 (50.80)
17 (43.18)
12-1/4 (31.12)
4 (10.16)
5-5/8
(14.30)
8-1/2
(21.59)
10-3/4
(27.31)
10-1/2
(26.67)
9-1/2
(24.13)
1-1/4
(3.18)
1-7/8
(4.76)
1-1/2
(3.81)
Baseplate web
Discharge
3" - 300# ANSI
Adjustable motor slide base
Use for 1/2"
anchor bolts
Electric motor
Beltguard
Inlet
4" - 300# ANSI
9-5/16 (23.65)
30-7/8 (78.44)
39-1/2 (100.33)
42 (106.68)
All dimensions are in inches (centimeters).
37

Related product manuals