EasyManua.ls Logo

Corken Z2000 - Page 36

Default Icon
48 pages
Print Icon
To Next Page IconTo Next Page
To Next Page IconTo Next Page
To Previous Page IconTo Previous Page
To Previous Page IconTo Previous Page
Loading...
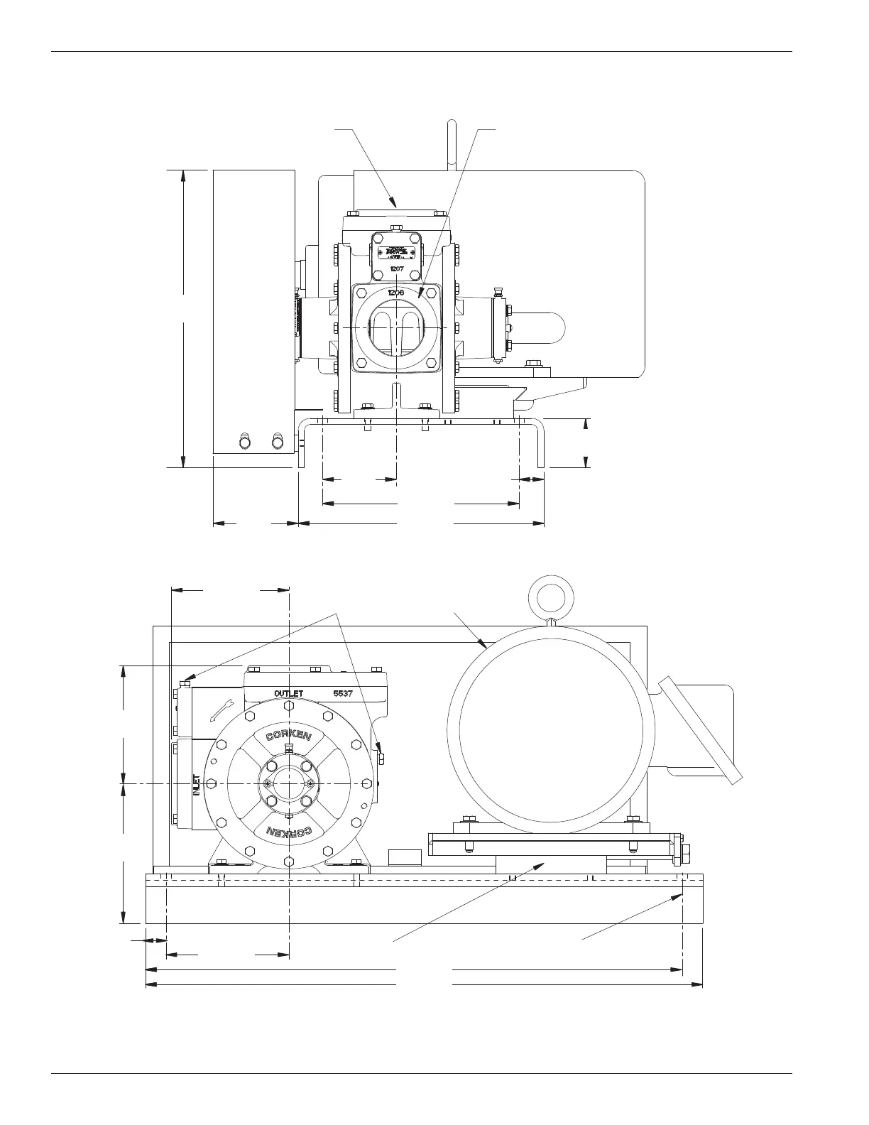
Appendix DOutline Dimensions for Z3500103 Mounting
All dimensions are in inches (centimeters).
15 (38.1)
12 (30.5)
1-1/2 (3.8)
4-1/2
(11.4)
5-3/16
(13.2)
3
(7.62)
18-1/8
(46)
3" NPT inlet3" NPT outlet
34 (86)
7-1/2 (19)
7-3/16 (18)
31-1/2 (80)
1-1/4 (3)
7-3/16
(18)
8-1/2
(22)
1/4" pipe plug Electric motor
Adjustable motor slidebase
Use four 1/2" anchor bolts
36

Related product manuals