EasyManua.ls Logo

CPI ARAGON GP - Crankcase; Crankshaft

CPI ARAGON GP
93 pages
Print Icon
To Next Page IconTo Next Page
To Next Page IconTo Next Page
To Previous Page IconTo Previous Page
To Previous Page IconTo Previous Page
Loading...
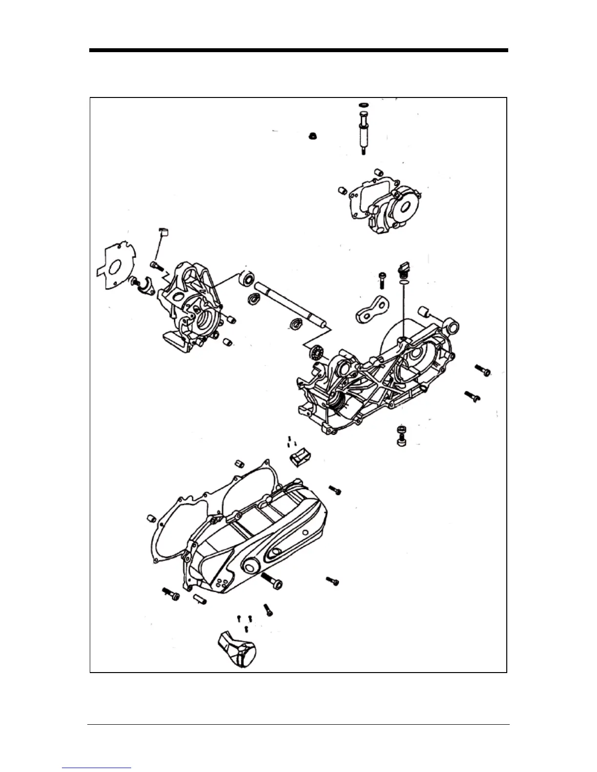
CRANK DRIVE / CRANKCASE / CRANKSHAFT CR-8 CRANK DRIVE / CRANKCASE / CRANKSHAFT CR-8
CRANKCASE / CRANKSHAFT

Table of Contents

Related product manuals