EasyManua.ls Logo

CPI ARAGON GP - Page 91

CPI ARAGON GP
93 pages
Print Icon
To Next Page IconTo Next Page
To Next Page IconTo Next Page
To Previous Page IconTo Previous Page
To Previous Page IconTo Previous Page
Loading...
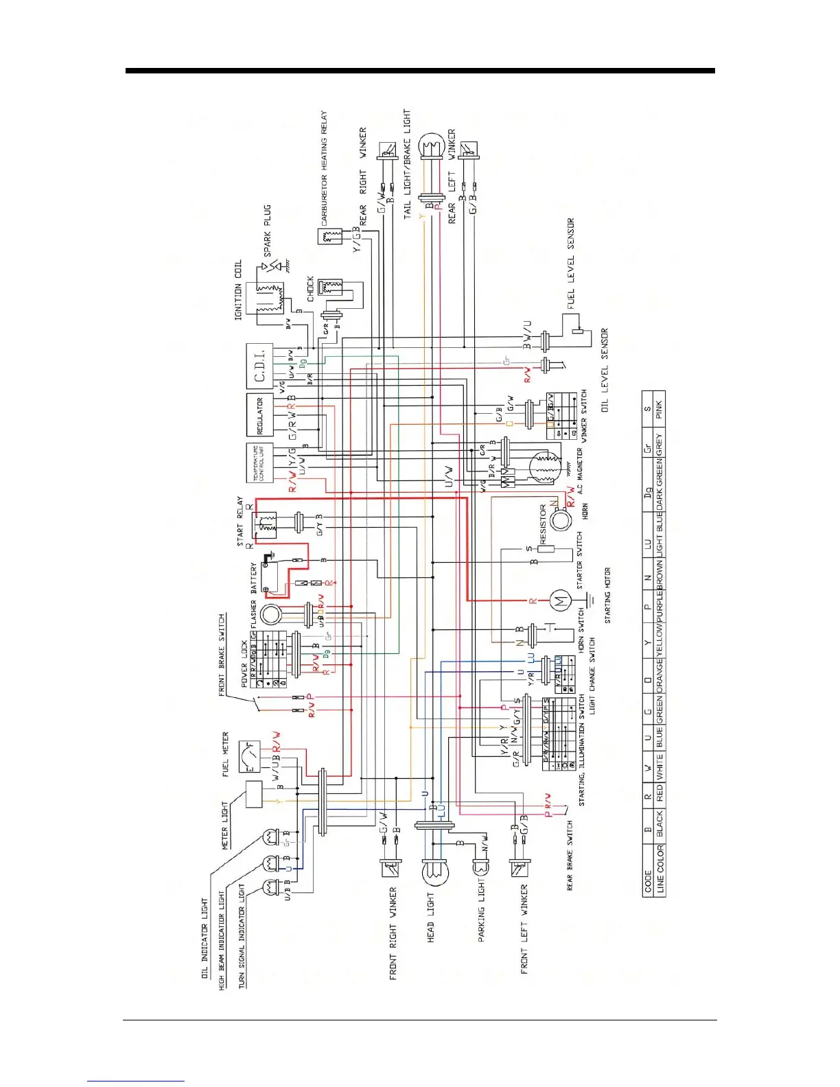
ELECTRICAL SYSTEM ES-11
Aragon

Table of Contents

Related product manuals