EasyManua.ls Logo

Daikin FL15EXV1 - Model

Daikin FL15EXV1
78 pages
Print Icon
To Next Page IconTo Next Page
To Next Page IconTo Next Page
To Previous Page IconTo Previous Page
To Previous Page IconTo Previous Page
Loading...
57
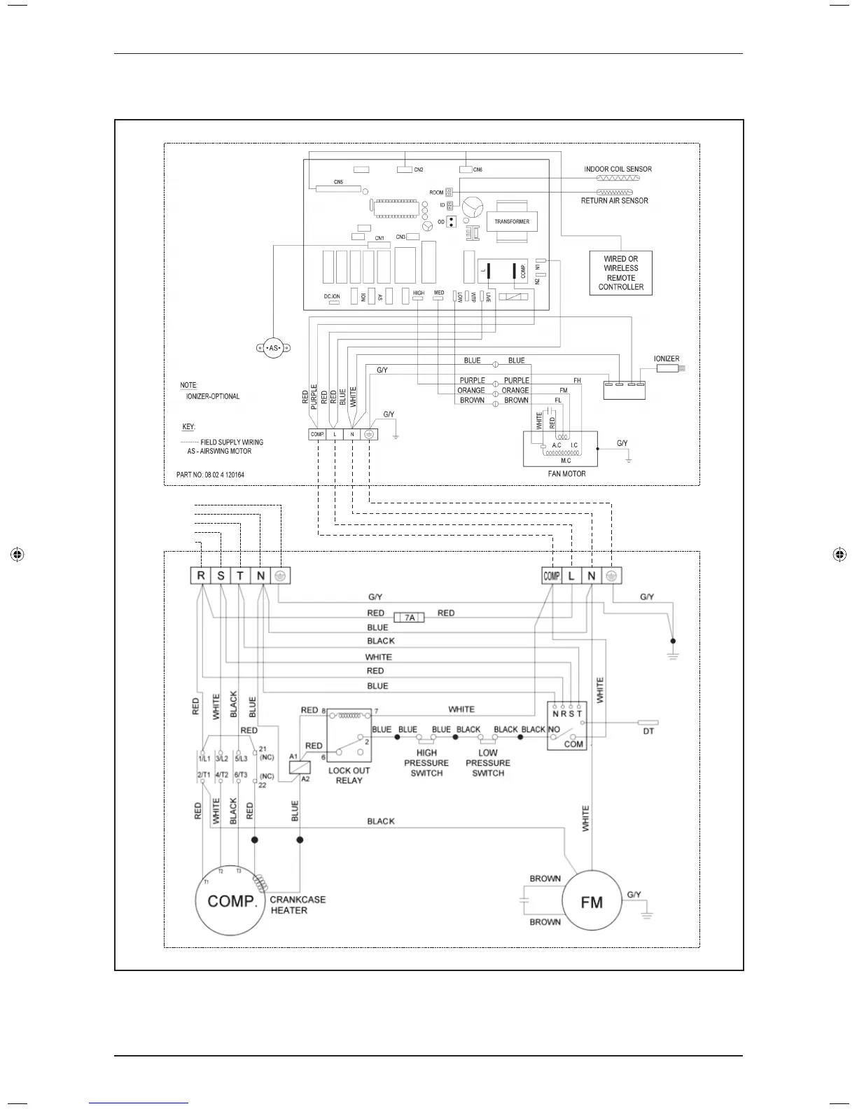
Wiring Diagrams
Indoor Unit
Model: FL40EXV1
Outdoor Unit
Model: R40DXY1
380 415V
3HP 50Hz
R
S
T
N
E
DAIKIN_FL(Y).indb 57DAIKIN_FL(Y).indb 57 9/27/2012 12:13:27 PM9/27/2012 12:13:27 PM

Related product manuals