EasyManua.ls Logo

Daikin FL15EXV1 - Model

Daikin FL15EXV1
78 pages
Print Icon
To Next Page IconTo Next Page
To Next Page IconTo Next Page
To Previous Page IconTo Previous Page
To Previous Page IconTo Previous Page
Loading...
58
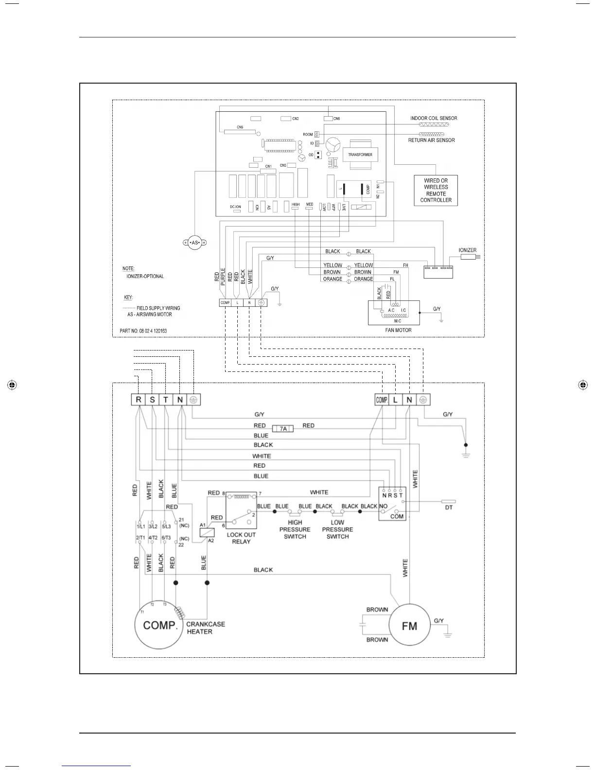
Wiring Diagrams
Indoor Unit
Model: FL50EXV1
Outdoor Unit
Model: R50DXY1
380 415V
3HP 50Hz
R
S
T
N
E
DAIKIN_FL(Y).indb 58DAIKIN_FL(Y).indb 58 9/27/2012 12:13:27 PM9/27/2012 12:13:27 PM

Related product manuals