EasyManua.ls Logo

Daikin FL15EXV1 - Model

Daikin FL15EXV1
78 pages
Print Icon
To Next Page IconTo Next Page
To Next Page IconTo Next Page
To Previous Page IconTo Previous Page
To Previous Page IconTo Previous Page
Loading...
61
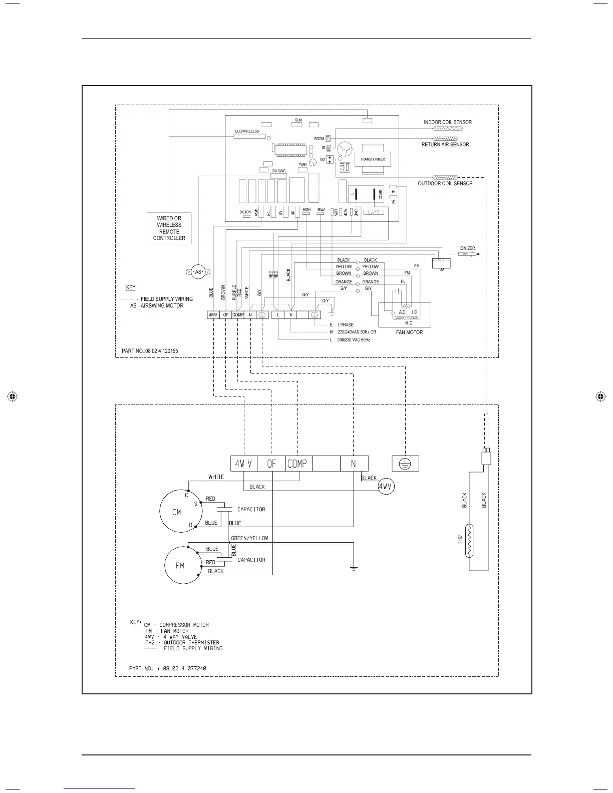
Wiring Diagrams
Indoor Unit
Model: FLY20/25EXV1
Outdoor Unit
Model: RY18/20/25CXV1
DAIKIN_FL(Y).indb 61DAIKIN_FL(Y).indb 61 9/27/2012 12:13:28 PM9/27/2012 12:13:28 PM

Related product manuals