EasyManua.ls Logo

Daikin FL15EXV1 - Model

Daikin FL15EXV1
78 pages
Print Icon
To Next Page IconTo Next Page
To Next Page IconTo Next Page
To Previous Page IconTo Previous Page
To Previous Page IconTo Previous Page
Loading...
60
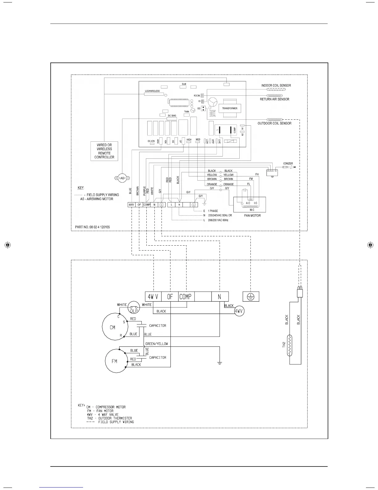
Wiring Diagrams
Heatpump
Indoor Unit
Model: FLY15EXV1
Outdoor Unit
Model: RY15CXV1
DAIKIN_FL(Y).indb 60DAIKIN_FL(Y).indb 60 9/27/2012 12:13:28 PM9/27/2012 12:13:28 PM

Related product manuals