EasyManua.ls Logo

Datakom D-500 - Page 117

Datakom D-500
153 pages
Print Icon
To Next Page IconTo Next Page
To Next Page IconTo Next Page
To Previous Page IconTo Previous Page
To Previous Page IconTo Previous Page
Loading...
D-500 User Manual Rev_06 Firmware V-5.8
K35D05-EN - 117 -
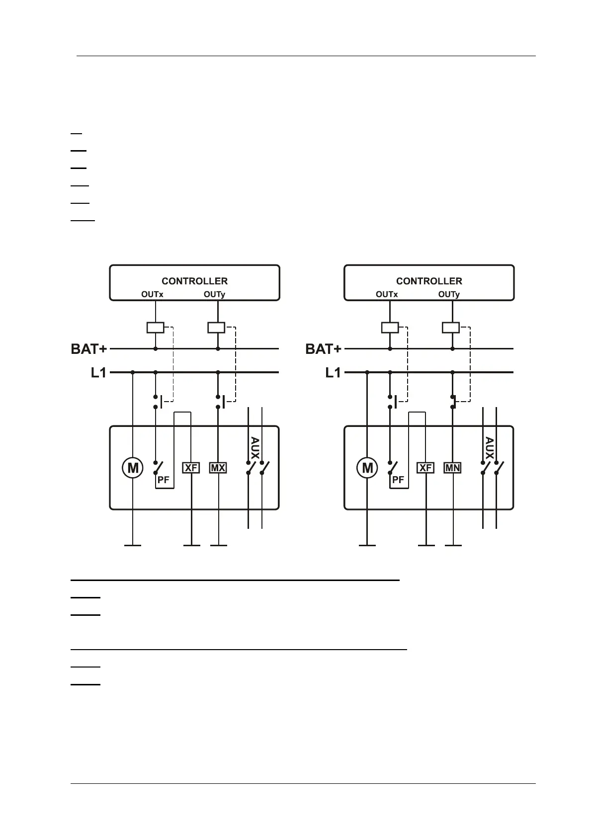
MCB modules can be operated by 2 different ways. The unit supports both configurations.
Below is the terminology used:
M: gear motor
PF: ready to close contact
XF: close coil
MX: open coil
MN: undervoltage trip (release)
AUX: auxiliary contacts
MCB WITH OPEN-CLOSE COILS MCB WITH CLOSE-UV COILS
In the diagram at left, relay function assignments should be as below:
OUTx: Mains (or Genset) Close Pulse
OUTy: Mains (or Genset) Open Pulse
In the diagram at right, relay function assignments should be as below:
OUTx: Mains (or Genset) Close Pulse
OUTy: Mains (or Genset) Undervoltage Coil

Table of Contents

Other manuals for Datakom D-500

Related product manuals