EasyManua.ls Logo

Datakom D-700 MK3 - Page 163

Datakom D-700 MK3
218 pages
Print Icon
To Next Page IconTo Next Page
To Next Page IconTo Next Page
To Previous Page IconTo Previous Page
To Previous Page IconTo Previous Page
Loading...
D-700 MK3 User Manual Firmware V-16.8
- 163 -
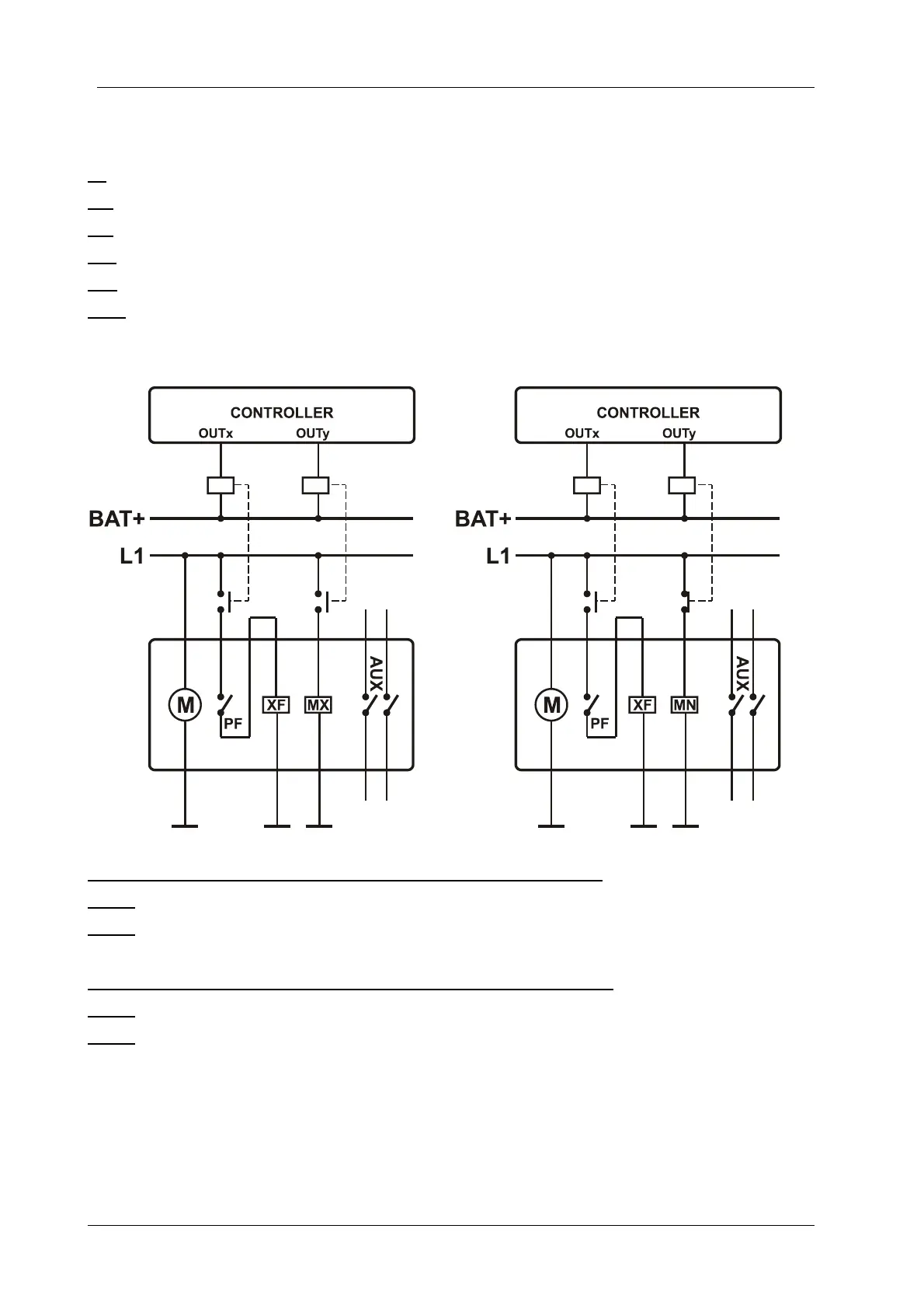
MCB modules can be operated by 2 different ways. The unit supports both configurations.
Below is the terminology used:
M: gear motor
PF: ready to close contact
XF: close coil
MX: open coil
MN: undervoltage trip (release)
AUX: auxiliary contacts
MCB WITH OPEN-CLOSE COILS MCB WITH CLOSE-UV COILS
In the diagram at left, relay function assignments should be as below:
OUTx: Mains (or Genset) Close Pulse
OUTy: Mains (or Genset) Open Pulse
In the diagram at right, relay function assignments should be as below:
OUTx: Mains (or Genset) Close Pulse
OUTy: Mains (or Genset) Undervoltage Coil

Table of Contents

Related product manuals