EasyManua.ls Logo

Datakom D-700 MK3 - DC Genset Functionality

Datakom D-700 MK3
218 pages
Print Icon
To Next Page IconTo Next Page
To Next Page IconTo Next Page
To Previous Page IconTo Previous Page
To Previous Page IconTo Previous Page
Loading...
D-700 MK3 User Manual Firmware V-16.8
- 66 -
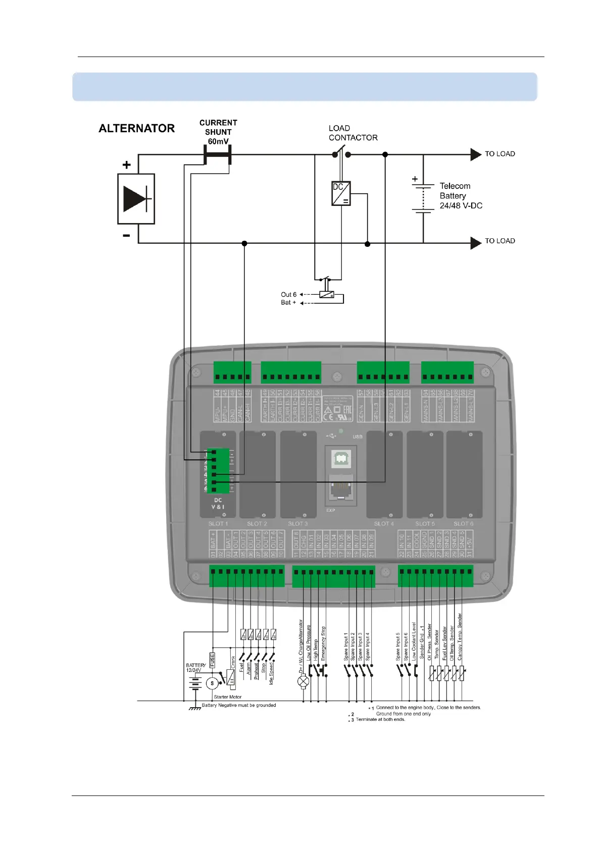
7.4. DC GENSET FUNCTIONALITY

Table of Contents

Related product manuals