EasyManua.ls Logo

DCS RGSC-305 - Page 32

DCS RGSC-305
58 pages
Print Icon
To Next Page IconTo Next Page
To Next Page IconTo Next Page
To Previous Page IconTo Previous Page
To Previous Page IconTo Previous Page
Loading...
PRELIMINARY
32
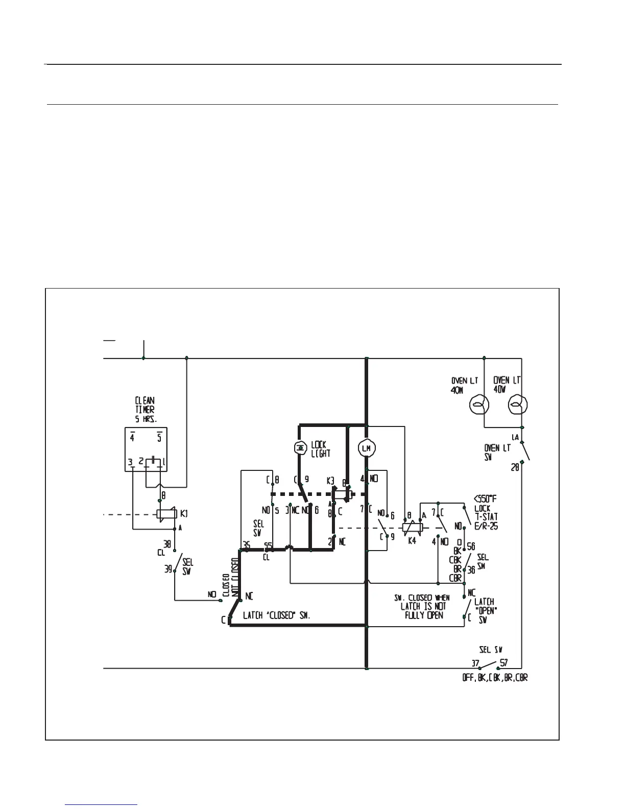
COMPONENT CLOSED CONTACTS
1) “Latch close switch C - NC
2) “Selector switch 35 - 55
3) “K4 Relay 8 - 2
4) “K3 Relay coil energized N/A
5) “K3 Relay 4 – 7
6) Lock Motor energized N/A
CLEAN RELAY LOCKING

Other manuals for DCS RGSC-305

Related product manuals