EasyManua.ls Logo

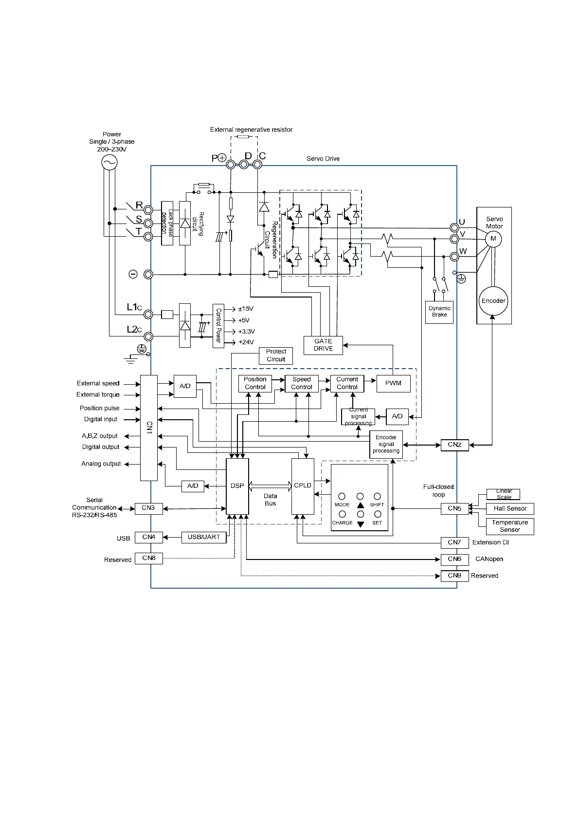
Delta ASD-A2R-0421 Series - Schematic Diagram of Servo System

Delta ASD-A2R-0421 Series
660 pages
Print Icon
To Next Page IconTo Next Page
To Next Page IconTo Next Page
To Previous Page IconTo Previous Page
To Previous Page IconTo Previous Page
Loading...
Chapter 3 Wiring ASDA-A2R Series
3-16 Revision December. 2014
3.2 Schematic Diagram of Servo System
220 V 400 W (included) model below (No built-in regenerative
resistor)

Table of Contents

Related product manuals