EasyManua.ls Logo

Delta C2000 Plus Series - Page 482

Delta C2000 Plus Series
1259 pages
Print Icon
To Next Page IconTo Next Page
To Next Page IconTo Next Page
To Previous Page IconTo Previous Page
To Previous Page IconTo Previous Page
Loading...
Chapter 12 Descriptions of Parameter SettingsC2000 Plus
12.1-01-33
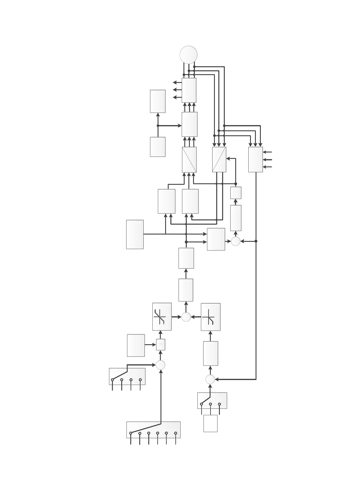
Pr.00-13 = 2, IM TQC Sensorless control diagram is as follows:
dq
abc
dq
abc
q-axis ACR
θ
e
Pr.10-25
Active Magnetic
Regulator
Slip
Calculator
+
ω
sl
ʃ
Pr.10-26
Pr.10-35
Pr.10-36
Frequency
Limit
+
d-axis ACR
I
d
*
I
q
*
I
a
I
b
I
c
AVR
Pr.07-23
DC Bus
Voltage
Detection
DC Bus
Voltage
Protection
IGBT
PWM
IM
Pr.01-01~01-02
Pr.05-01~05-09
U
a
U
b
U
c
ω
r
Speed
Observer
U
a
U
b
U
c
Pr.11-35
LPF
ASR
Pr.11-00 bit0=0
set Pr.11-06~11-11
Pr.11-00 bit0=1
set Pr.11-03~11-05
+
-
+
+
0
1
Pr.11-36
Speed limit
Pr.11-37&Pr.11-38
2
Pr.11-37
Pr.11-38
Pr.00-20
Fcmd
Pr.00-20
Torque Limit
Torque Limit
Pr.06-12
Pr.11-17~11-20
0
Pr.11-33
Torque Source
Pr.11-34
3
4
5
RS485
Analog Input
1
2
CANopen
Reserve
COMM Card
+
Maximum
Torque
X
Pr.11-27
+
Pr.11-28
Torque Bias
0
Pr.11-29
Analog Input
Pr.11-30~Pr.11-32
0
1
2
3
T
offset
T
q
*
q-axis
Current
Calculator

Table of Contents

Related product manuals