EasyManua.ls Logo

DMS Q31 - WIRING DIAGRAM

DMS Q31
27 pages
Print Icon
To Next Page IconTo Next Page
To Next Page IconTo Next Page
To Previous Page IconTo Previous Page
To Previous Page IconTo Previous Page
Loading...
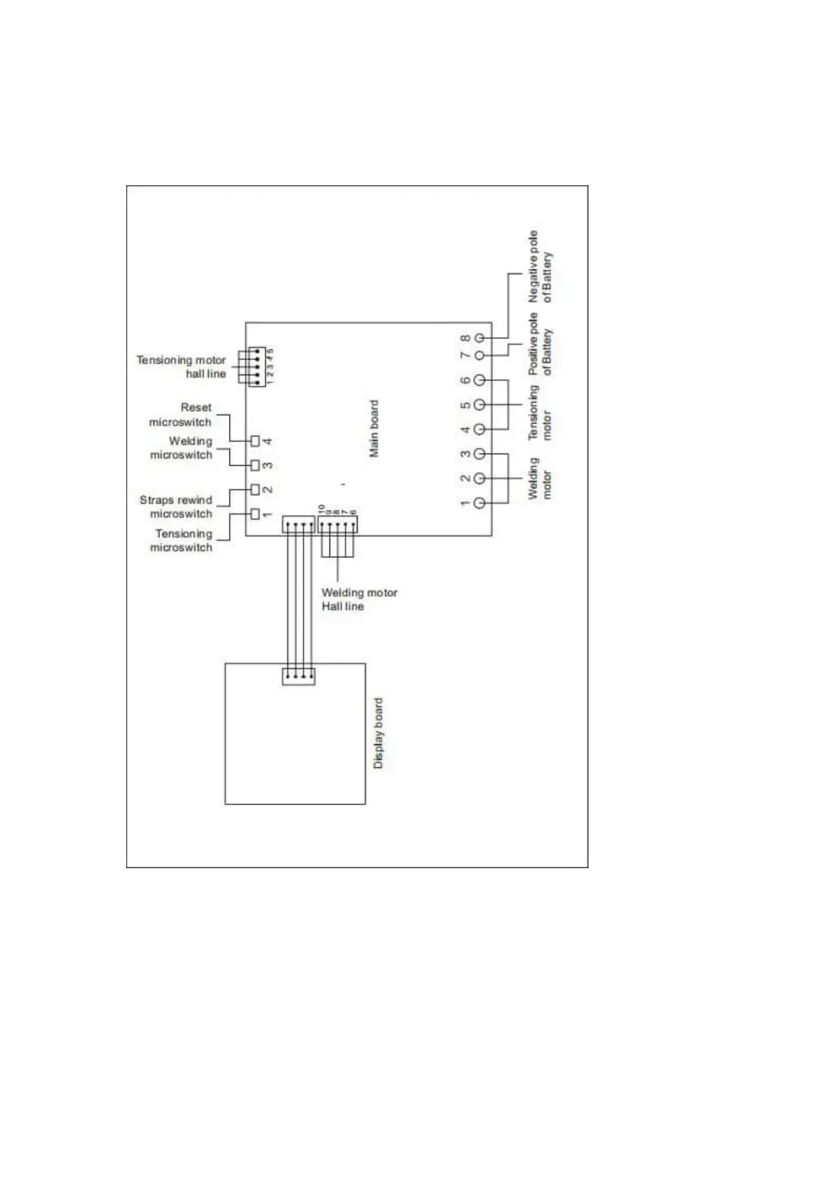
6. WIRING DIAGRAM
7. COMMON FAULT INDICATION AND TROUBLESHOOTING