EasyManua.ls Logo

DNP CX210 - Ink Mode Setting

DNP CX210
48 pages
Print Icon
To Next Page IconTo Next Page
To Next Page IconTo Next Page
To Previous Page IconTo Previous Page
To Previous Page IconTo Previous Page
Loading...
30
Operation (continued)
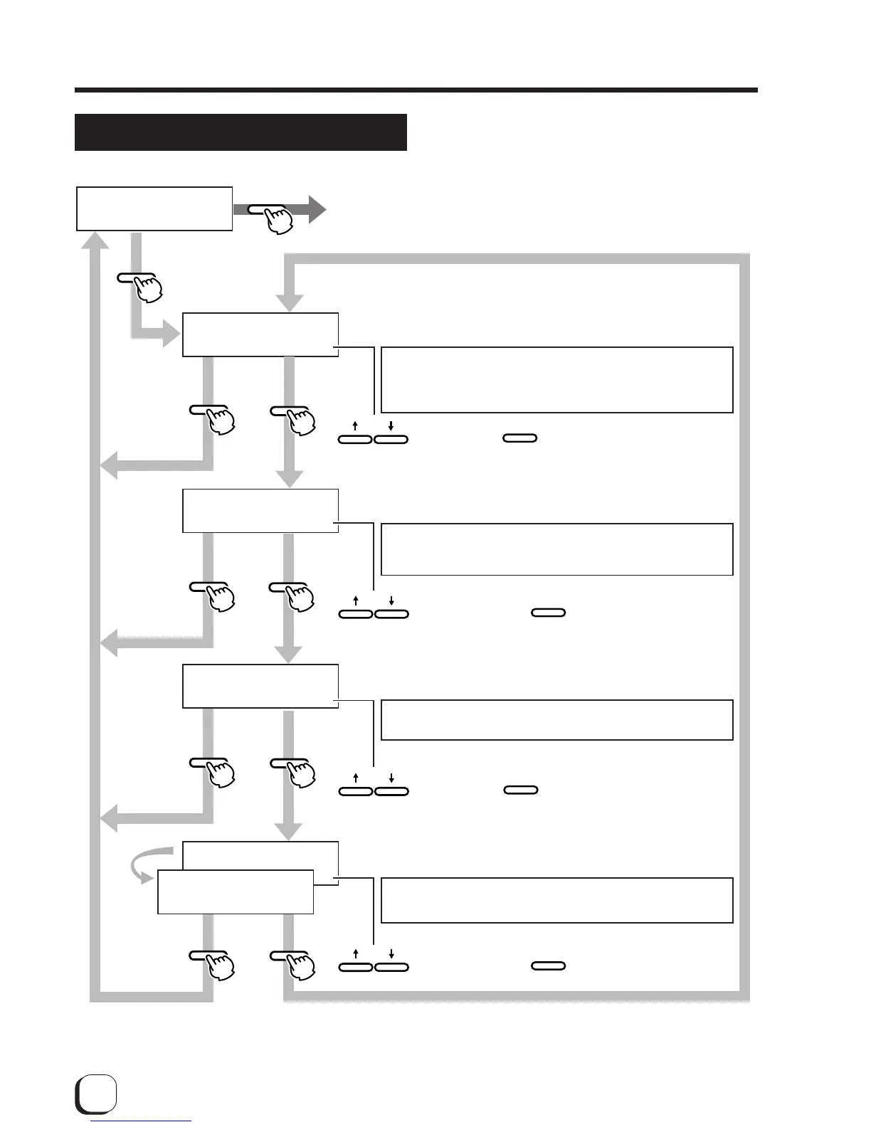
Ink mode setting
Change settings according to the ink ribbon used.
>Ink>
>>Black Level
>>Black Mode
>>Ink Type
YMCK:0
0(Standard)
Standard
>>SP-Ink 1 Level
-2
ENTER
ENTER
ENTER
ENTER
MENU
MENU
MENU
MENU
EXIT
EXIT
EXIT
EXIT
ENTER
EXIT
>>SP-Ink 2 Level
-2
or
Exit user mode
Set ink ribbon
Set ink type (YMCK:0, YMCK+HS:1)
(The electronic
beep sounds .)
Set the black value K
7 gradations can be set
(from 3 to +3, the larger the value the darker the printing)
Set the K printing mode:
2 options (Standard and Fine)
Special ink SP-Ink 1, SP-Ink 2 darkness level.
7 gradations can be set
(from 3 to +3, the higher the value the darker the printing.)
Press
to save.
to save.
to select the
setting and
press
Press
to select the setting
value and press
to save.
Press
to select the
setting value
and press
to save.
Press
to select the setting
value and press
Yellow (Y), Magenta (M), Cyan (C) and Black (B) are
provided as the standard ink ribbons. Change the setting to
YMCK+HS when using a special panel ink ribbon (not yet
available).
Small characters printed in black ink may be blurred or
partially darkened. If this is the case, change the setting.
Specify +gFine+h if blurring still occurs after an increase in +gBlack
Level.+h The printing time slightly becomes longer in this setting.
Set this darkness level when using a special ink (not yet
available).
(The electronic
beep sounds .)
(The electronic
beep sounds .)
(The electronic beep sounds .)

Table of Contents

Related product manuals