EasyManua.ls Logo

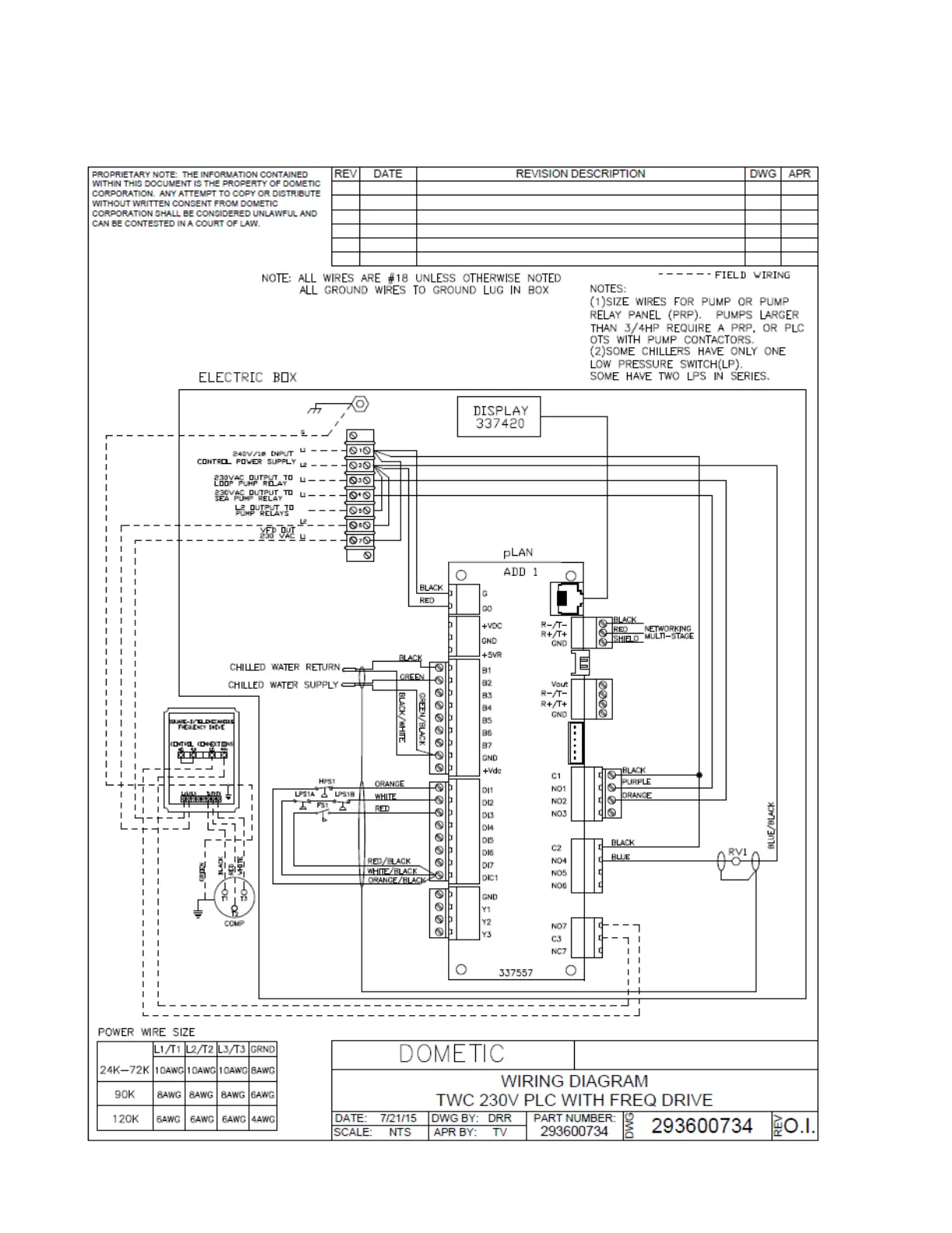
Dometic SmartStart III - Basic Wiring Diagram

Dometic SmartStart III
36 pages
Print Icon
To Next Page IconTo Next Page
To Next Page IconTo Next Page
To Previous Page IconTo Previous Page
To Previous Page IconTo Previous Page
Loading...
26
Basicwiringdiagram
Figure6

Related product manuals