EasyManua.ls Logo

Dorma ED700 - Mounting the Push Arm

Dorma ED700
26 pages
Print Icon
To Next Page IconTo Next Page
To Next Page IconTo Next Page
To Previous Page IconTo Previous Page
To Previous Page IconTo Previous Page
Loading...
ED700
Low Energy
Automatic Swing Door
DORMA
13
DORMA AUTOMATICS, Inc. 924 Sherwood Drive Toll-Free: 877-367-6211
Lake Bluff, IL 60044 Fax: 877-423-7999
DL3038-010 Rev. B 6/08
E-mail: automatics@dorma-usa.com Subject to change without notice
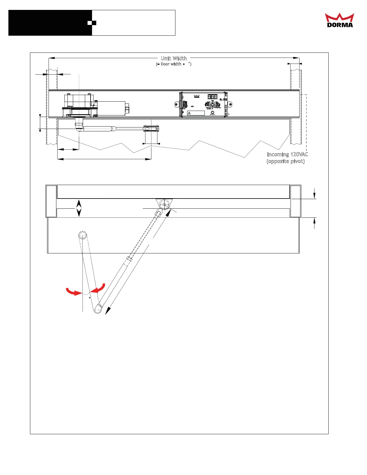
Mount the Push Arm ( Install arms with doors at 95 degrees)
Installation of Surface Applied - Push Application.
Unit Width
(= Door width + 3
")
Incoming 120VAC
(opposite pivot)
16”
2”
2“
1-1/2
1-1/2
L = Reveal + 13-1/2
4”
Approximately
10
For Reveals greater than 6”, use arm extension
PGM
ENC
Breakout
SYNC
TXD
GND
RXD
MICROPROCESSOR CONTROL
115 VAC 60 Hz 2A
DORMA AUTOMATICS
Phone: 877-367-6211
Motor: 4A slow blow
Line: 2A fast acting
THIS OPERATOR CONTROLLER MUST BE
ADJUSTED TO MEET ANSI STANDARDS
BY DORMA TRAINED PERSONNEL
Reveal = From Face of
Door to Back of Header
The shoe is mounted to the door 2” below the frame. 16” from the pivot side of the door to the
centerline of the shoe. Mark the mounting holes for the shoe and secure it to the door using the
fasteners provided. Next adjust the connecting arm to the proper length by adding 13-3/8 to the
reveal.
To install the arm rotate the operator to the full open position, see page 11. With the operator
against the hard stop swing the door open past 90 degrees. With the connecting arm attached to
the shoe on the on the door attach the arm to the operator with the door at 95 to 105 degrees
and secure the arm to the door. Turn the door off and let it close, once the arm is attached complete
the basic set up on page 17.
Make sure the dive arm is not at 90 degrees in relation to the header when the door is closed adjust
the connecting arm if necessary.
Reveal

Related product manuals