EasyManua.ls Logo

Ducati MONSTER 821 - Page 211

Ducati MONSTER 821
295 pages
Print Icon
To Next Page IconTo Next Page
To Next Page IconTo Next Page
To Previous Page IconTo Previous Page
To Previous Page IconTo Previous Page
Loading...
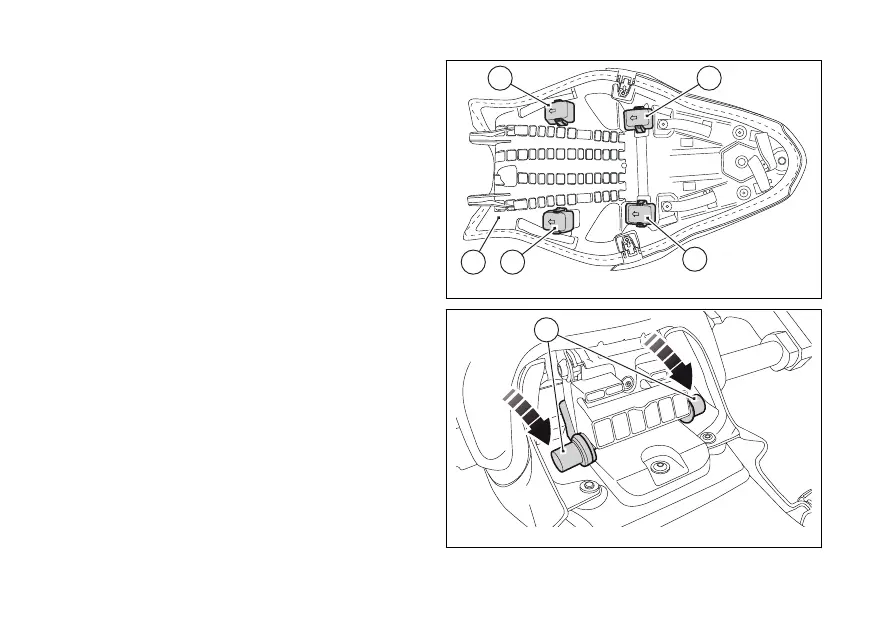
Remove the four blocks (4) located under the seat (1).
Position hook (5) with elastic band in the bottom
retainer.
1 4
4 4
4
Fig. 152
5
Fig. 153
210

Table of Contents

Related product manuals