EasyManua.ls Logo

Dunkirk DCC-150 - Important Safety Information; Safety Information

Dunkirk DCC-150
117 pages
Print Icon
To Next Page IconTo Next Page
To Next Page IconTo Next Page
To Previous Page IconTo Previous Page
To Previous Page IconTo Previous Page
Loading...
15
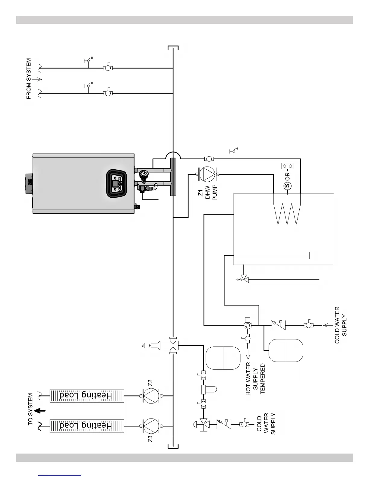
165 WITH ZONE CIRCULATOR PUMPS - PIPING DIAGRAM
165 with Zone Circulator Pumps
PN 240011430 REV G, [03/31/18]

Table of Contents

Other manuals for Dunkirk DCC-150

Related product manuals