EasyManua.ls Logo

Dunkirk DCC-150 - Piping Legend

Dunkirk DCC-150
117 pages
Print Icon
To Next Page IconTo Next Page
To Next Page IconTo Next Page
To Previous Page IconTo Previous Page
To Previous Page IconTo Previous Page
Loading...
21
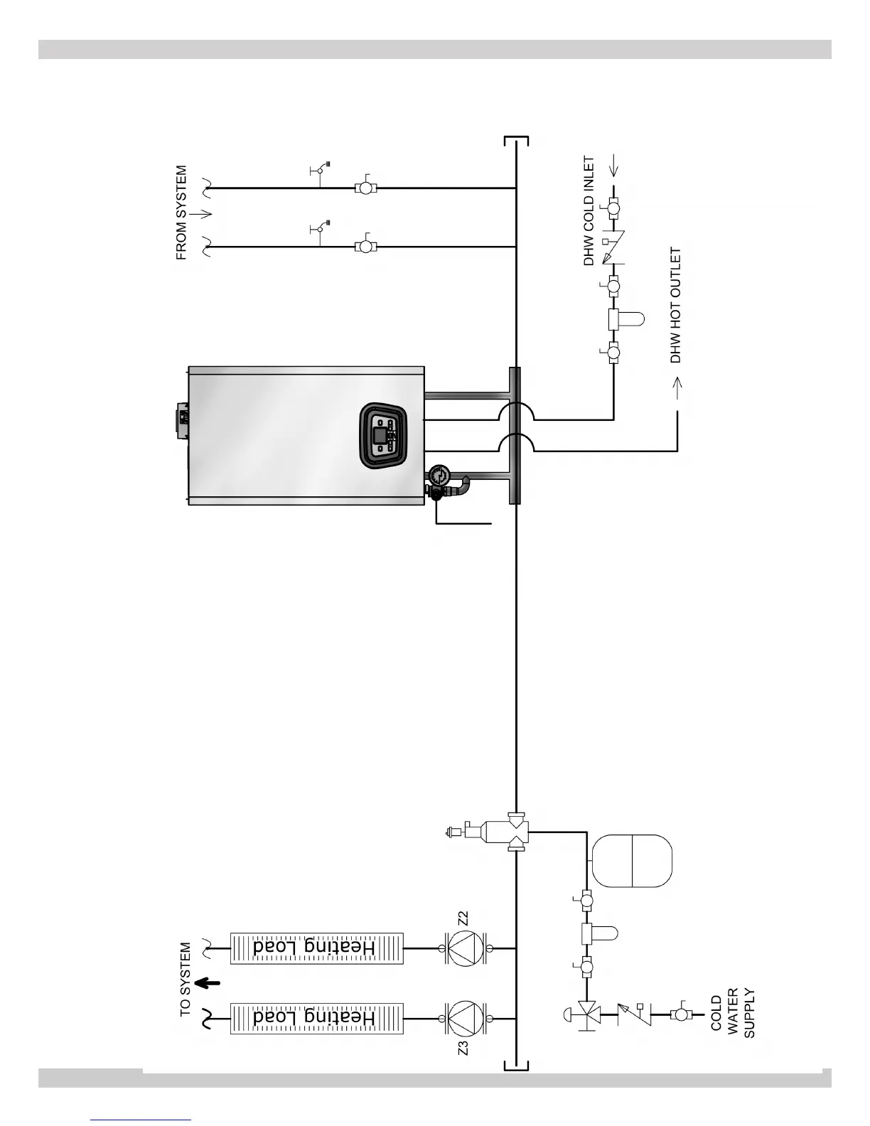
150/205 with Zone Circulator Pumps
150 & 205 WITH ZONE CIRCULATOR PUMPS - PIPING DIAGRAM
PN 240011430 REV G, [03/31/18]

Table of Contents

Other manuals for Dunkirk DCC-150

Related product manuals