EasyManua.ls Logo

EKOM DK50-10 - Схема Электрических Соединений

EKOM DK50-10
276 pages
Print Icon
To Next Page IconTo Next Page
To Next Page IconTo Next Page
To Previous Page IconTo Previous Page
To Previous Page IconTo Previous Page
Loading...
DK50-10
NP-DK50-10-16_01-2022-MD - 140 - 01/2022
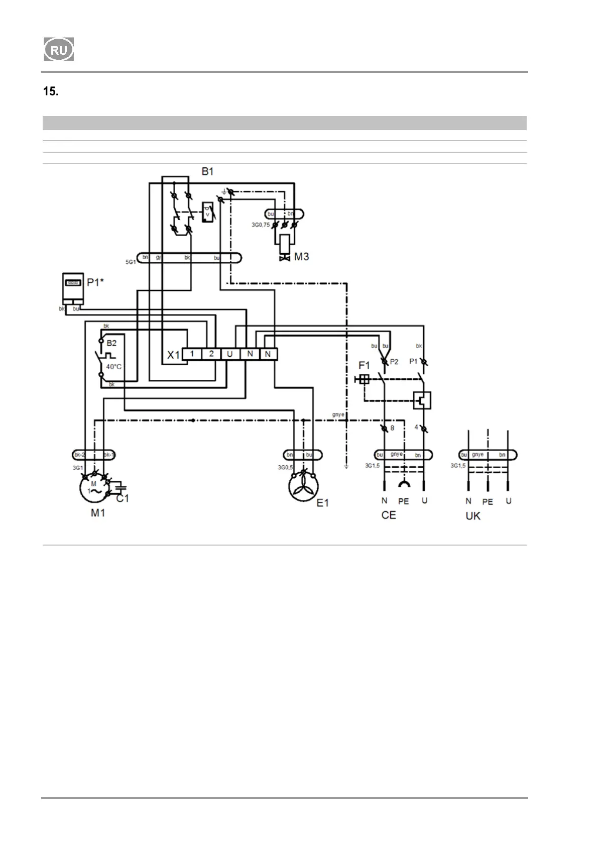
СХЕМА ЭЛЕКТРИЧЕСКИХ СОЕДИНЕНИЙ
DK50-10Z, DK50-10S
5 - 7 бар, 6 - 8 бар, 8 - 10 бар
1/N/PE 230 В, 50/60 Гц
115 В, 60 Гц
ЭЛЕКТРИЧЕСКИЙ ОБЪЕКТ 1-й КАТЕГОРИИ
P1* - часометром оборудована только модель компрессора с давлением 8–10 бар

Table of Contents

Other manuals for EKOM DK50-10

Related product manuals