EasyManua.ls Logo

EKOM DK50-10 - Schéma Zapojenia

EKOM DK50-10
276 pages
Print Icon
To Next Page IconTo Next Page
To Next Page IconTo Next Page
To Previous Page IconTo Previous Page
To Previous Page IconTo Previous Page
Loading...
DK50-10
01/2022 - 215 - NP-DK50-10-16_01-2022-MD
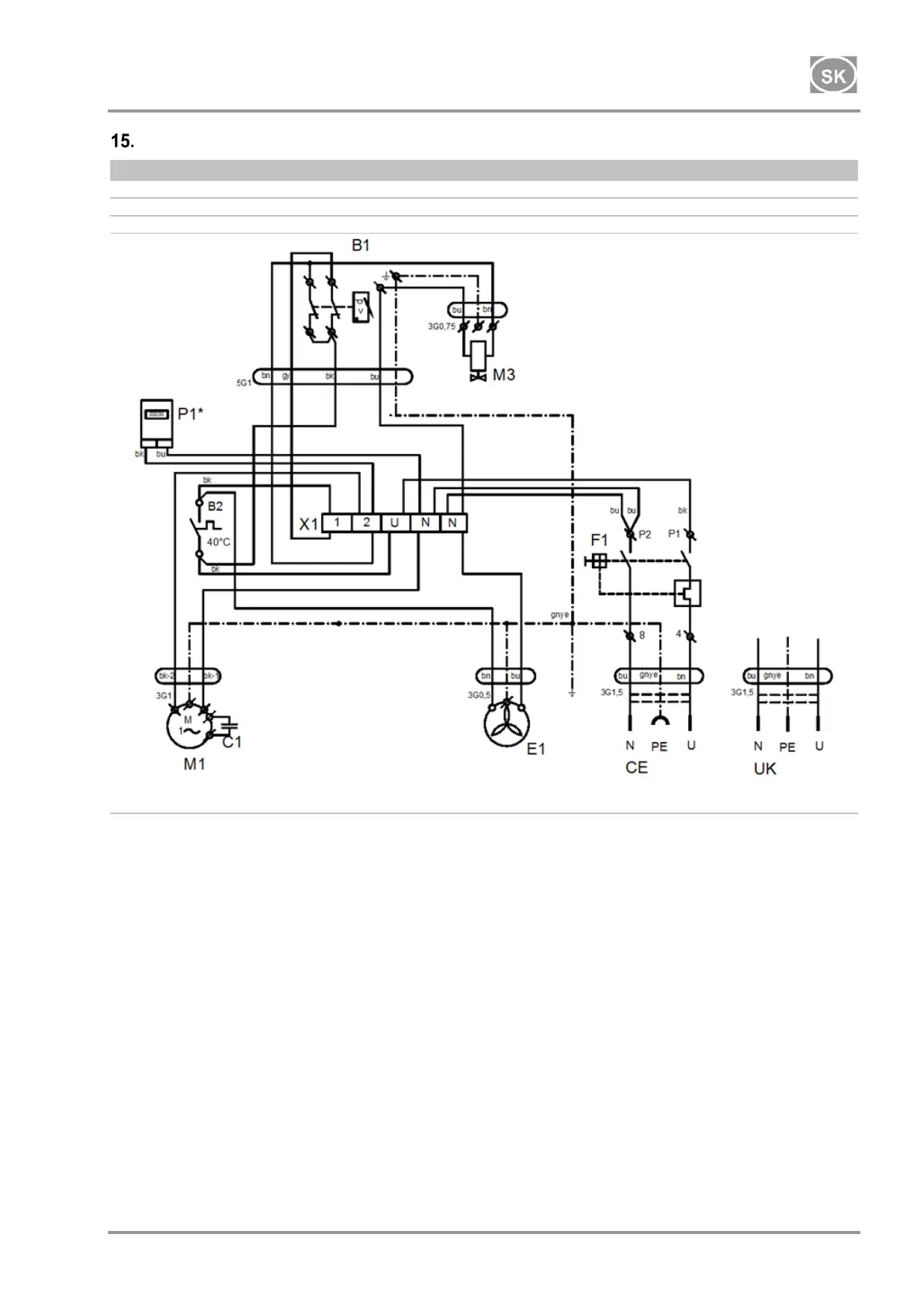
SCHÉMA ZAPOJENIA
DK50-10Z, DK50-10S
5 - 7 bar, 6 - 8 bar, 8 - 10 bar
1/N/PE 230 V, 50/60 Hz
115 V, 60 Hz
ELEKTRICKÝ PREDMET TR.1
P1*Počítadlo hodín montované len pre prevedenie 8-10bar

Table of Contents

Other manuals for EKOM DK50-10

Related product manuals