EasyManua.ls Logo

ElectrIQ PowerPod 2 - Whole Home Backup Configuration; Whole Home Backup System Diagram

ElectrIQ PowerPod 2
100 pages
Print Icon
To Next Page IconTo Next Page
To Next Page IconTo Next Page
To Previous Page IconTo Previous Page
To Previous Page IconTo Previous Page
Loading...
5Installation Manual
Intro / Whole Home Backup Configuration
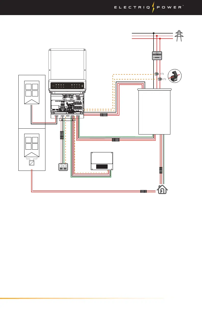
1.1. WHOLE HOME BACKUP CONFIGURATION
+
-
~
Back-up output breaker
Meter CT Communication
Grid
Power meter
Main Panel
Backed-up Home Loads
Grid side
Battery
DC Breaker
NTC
BMS
On-grid output breaker
Main breaker
RESET
FAULTWi-FiCOMENERGYGRIDBATTERYBACK-UPSYSTEM
Solar array
Solar array
DC-Coupled Option
or
AC-Coupled Option
DC-Coupled Option
AC-Coupled Option
Solar Inverter
Automatic transfer switch
Auto-transformer
+
-