EasyManua.ls Logo

ElectrIQ PowerPod 2 - Whole Home Configuration; Automatic Transfer Switch (ATS) Installation

ElectrIQ PowerPod 2
100 pages
Print Icon
To Next Page IconTo Next Page
To Next Page IconTo Next Page
To Previous Page IconTo Previous Page
To Previous Page IconTo Previous Page
Loading...
61Installation Manual
Inverter / Whole Home
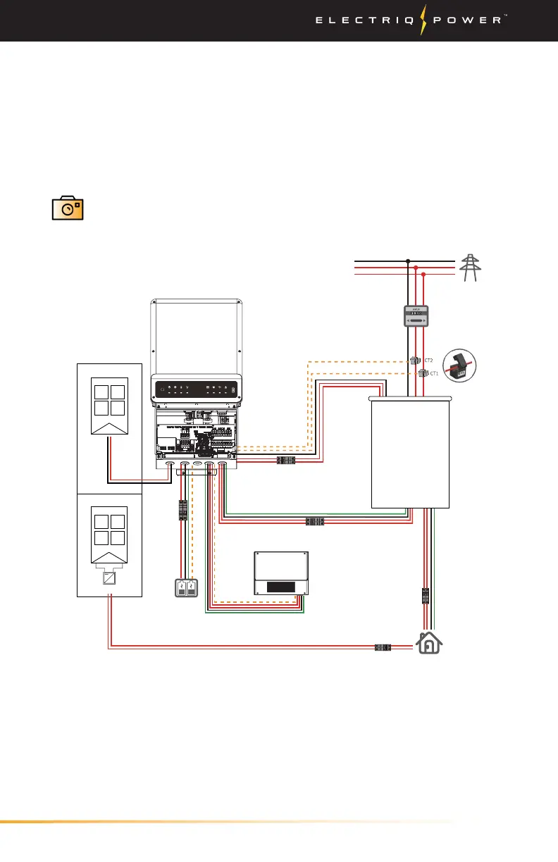
3.3.5.5. WHOLE HOME
3.3.5.5.1. AUTOMATIC TRANSFER SWITCH
For whole home configurations, make sure an automatic transfer
switch is installed. If o-grid, the maximum load must not exceed the
inverter rating otherwise the inverter will turn o and the loads will
not be backed up until load is reduced to max-rated output of inverter.
Once the Automatic Transfer Switch has been wired, take a
photo within the PowerTools app and press 'Next' to move on
to the next step.
+
-
~
Back-up output breaker
Meter CT Communication
Grid
Power meter
Main Panel
Backed-up Home Loads
Grid side
Battery
DC Breaker
NTC
BMS
On-grid output breaker
Main breaker
RESET
FAULTWi-FiCOMENERGYGRIDBATTERYBACK-UPSYSTEM
Solar array
Solar array
DC-Coupled Option
or
AC-Coupled Option
DC-Coupled Option
AC-Coupled Option
Solar Inverter
Automatic transfer switch
Auto-transformer
+
-