EasyManua.ls Logo

Elvox RS07 - Page 49

Elvox RS07
Print Icon
To Next Page IconTo Next Page
To Next Page IconTo Next Page
To Previous Page IconTo Previous Page
To Previous Page IconTo Previous Page
Loading...
13 14 15 16 17 18 19 13 14 15 16 17 18 19
ON
1 2
ON
1 2
ON
1 2 3 4 5 6 7 8
ON
1 2 3 4 5 6 7 8
ON
1 2 3 4 5 6 7 8
1
2
3
4
5
ON
1 2 3 4 5 6 7 8
6
ON
1 2
ON
1
2
ON
1 2 3 4 5 6 7 8
ON
1 2 3 4 5 6 7 8
ON
1 2 3 4 5 6 7 8
1
2
3
4
5
ON
1 2 3 4 5 6 7 8
6
47
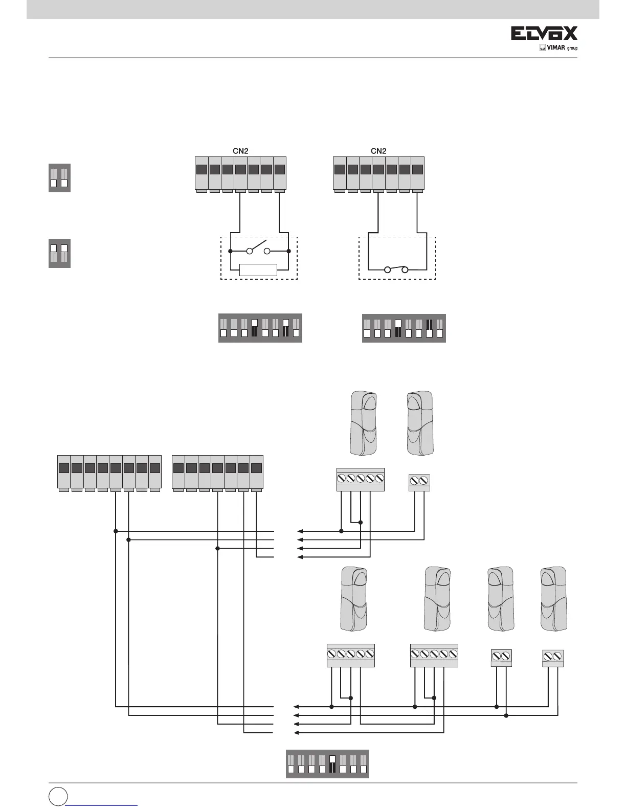
4.6- Conexión del borde sensible
Cuando el borde sensible o la fotocélula están libres, el led STPA debe estar encendido; la activación de esta entrada, configurada como borde sensible,
tiene el siguiente efecto: durante la apertura invierte de inmediato el movimiento durante 1,5 segundos y luego la cancela se para, mientras que durante el
cierre invierte el movimiento hasta la apertura completa. La entrada es programable.
Compruebe el conmutador DIP 1-4, para seleccionar el tipo de borde configure el DIP 1-7 (borde con contacto normalmente cerrado: DIP 1-7 en posición
OFF; borde con resistencia de compensación de 8,2 kiloohmios: DIP 1-7 en posición ON), si no se utiliza hay que puentear COM y STPA y colocar el DIP
1-7 en OFF:
4.7- Conexión de las fotocélulas con función Fototest activada
Si se activa la función Fototest (la central comprueba el funcionamiento de las fotocélulas, conmutador DIP 5 en ON), respete la conexión siguiente. Cada vez
que el motor se pone en marcha, la central interrumpe la alimentación al transmisor de la fotocélula para comprobar su funcionamiento.
Conexión borde a conmutador
Conexión borde sensible resistivo
Fig. 8
Fig. 9
ES
COM COM
N.O. N.O.N.C. N.C.
24V d.c. 1W max24V d.c. 1W max
24V d.c. 5W max
RX1
+-CNCNA+-
RX2
+-CNCNA
+-
+
COM
FOT
-
-
TX1TX2
RX
+-CNCNA
+-
TX
RX
+-CNCNA
+-
TX
RX1
+-CNCN
A+
-
RX2
+-CNCNA
+-
TX
1T
X2
+
-
+
-
13 14 15 16 17 18 19
5 6789101112
13 14 15 16 17 18 19
13 14 15 16 17 18 19 13 14 15 16 17 18 19
5 678910111213141516171819
13 14 15 16 17 18 19
20 21
COM
STPA
COM
FOTO
STPA como
fotocélula interna
Entrada STPA como borde con interruptor
electromecánico: coloque los interruptores DIP 1-4 en
ON y los interruptores DIP 1-7 en la posición OFF
Entrada STPA como borde resistivo de
8,2 KΩ: coloque los conmutadores DIP
1-4 y 1-7 en posición ON
Ejemplo de DIP en posición ON:
Ejemplo de DIP en posición OFF:
8,2 KΩ
ON
1 2
ON
1 2
ON
1
2 3 4 5 6 7 8
ON
1 2 3 4 5 6 7 8
ON
1 2 3 4 5 6 7 8
1
2
3
4
5
ON
1 2 3 4 5 6 7 8
6
ON
1 2
ON
1 2
ON
1 2 3 4 5 6 7 8
ON
1
2 3 4 5 6 7 8
ON
1 2 3 4 5 6 7 8
1
2
3
4
5
ON
1 2 3 4 5 6 7 8
6
DIP 1
DIP 1
ON
1 2
ON
1 2
ON
1 2 3 4 5 6 7 8
ON
1 2 3 4 5 6 7 8
ON
1
2 3 4 5 6 7 8
1
2
3
4
5
ON
1 2 3 4 5 6 7 8
6

Table of Contents