EasyManua.ls Logo

Emerson Quantum MP - Page 49

Emerson Quantum MP
175 pages
Print Icon
To Next Page IconTo Next Page
To Next Page IconTo Next Page
To Previous Page IconTo Previous Page
To Previous Page IconTo Previous Page
Loading...
Safety
Information
Product
Information
Mechanical
Installation
Electrical
Installation
Getting
Started
Basic
parameters
Running the
Motor
Optimization
SMARTCARD
Operation
Onboard
PLC
Advanced
Parameters
Technical
Data
Diagnostics
UL
Information
Quantum MP User Guide 49
Issue: A4 www.emersonct.com
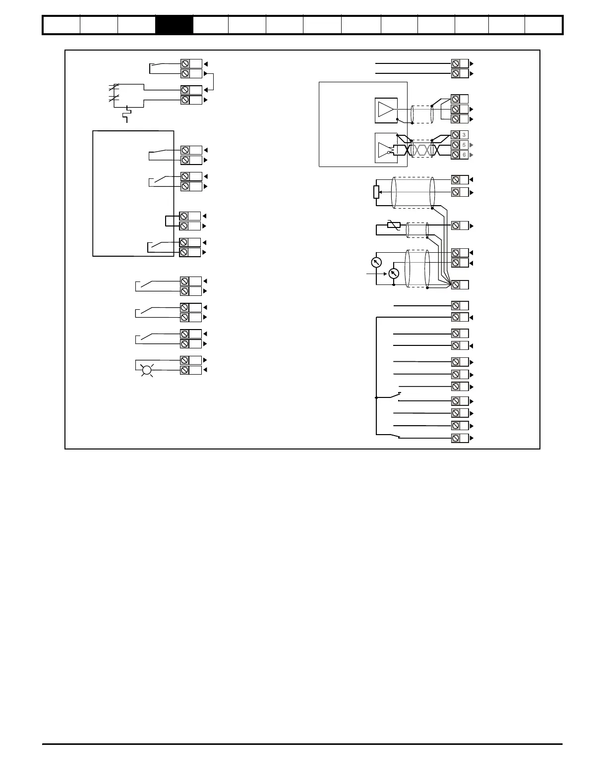
Figure 4-19 Default terminal wiring diagram, Size 1 and Size 2
Analog speed reference 1
Single-ended
signal
Differential signal
Analog input 2
Analog input 1
1
2
5
6
3
21
22
23
24
25
26
27
28
29
30
31
At speed
Analog input 1/
input 2 select
Speed
4
7
11
9
10
8
Armature
current
Analog input 3
(Motor thermistor)
0V
+24V input
0V
Non-inverting input
Inverting input
0V
Non-inverting input
Inverting input
+10V output
Analog input 2
Analog input 3
Analog output 1
Analog output 2
0V
0V
+24V output
0V
Digital I/O 1
Digital I/O 2
Digital I/O 3
Digital input 4
Digital input 5
Digital input 6
0V
Drive enable
Analog speed
reference 2
E-Stop
Motor
Thermal
System
Interlocks
120 VAC
SM-I/O 120V Digital Input 6
C4
C3
C2
C1
C16
Run
Three wire
Stop/Run
Pr 6.40 = 1
Two wire
Run
Pr 6.40 = 0
Jog
Reset
Fwd
Rev
Drive ON
120 Vac
30 VA max.
120 VAC
120 VAC
120 VAC
SM-I/O 120V Digital Input 1
SM-I/O 120V Digital Input 1
120 VAC from Terminal C6
SM-I/O 120V Neutral
SM-I/O 120V Digital Input 4
SM-I/O 120V Digital Input 5
SM-I/O 120V relay 2
SM-I/O 120V Digital Input 2
SM-I/O 120V Digital Input 2
SM-I/O 120V Digital Input 3
120 VAC from Terminal C6
120 VAC from Terminal C6
120 VAC
Stop
Stop/Run Inputs
Run
C5
C6
C7
C8
C9
C10
C11
C12
C13
C14
C15
C8
C7
C6
C5

Table of Contents

Related product manuals