EasyManua.ls Logo

Emerson Quantum MP - Menu 5: Motor and field control

Emerson Quantum MP
175 pages
Print Icon
To Next Page IconTo Next Page
To Next Page IconTo Next Page
To Previous Page IconTo Previous Page
To Previous Page IconTo Previous Page
Loading...
Safety
Information
Product
Information
Mechanical
Installation
Electrical
Installation
Getting
Started
Basic
parameters
Running the
Motor
Optimization
SMARTCARD
Operation
Onboard
PLC
Advanced
Parameters
Technical
Data
Diagnostics
UL
Information
108 Quantum MP User Guide
www.emersonct.com Issue: A4
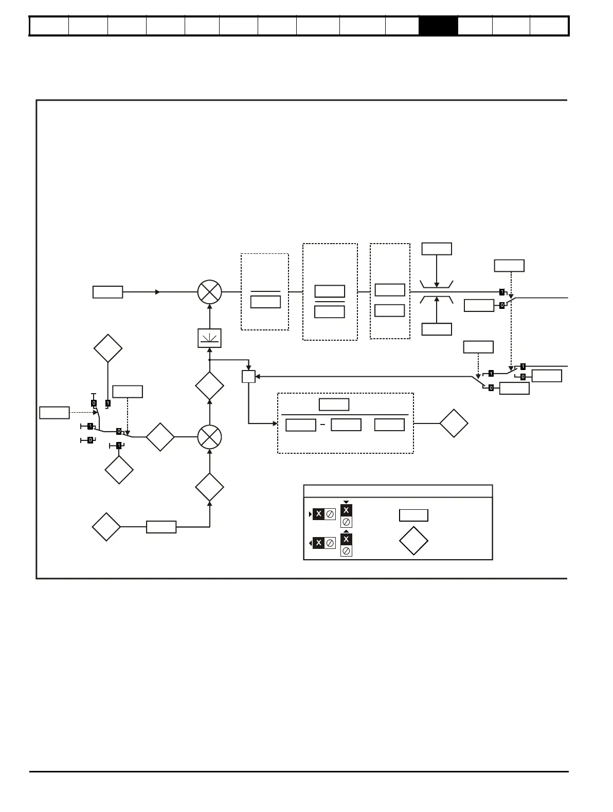
11.5 Menu 5: Motor and field control
Figure 11-5 Menu 5 field control logic diagram
5.59
Back emf
set-point
5.02
Armature
voltage
+
_
+
_
5.52
IR
drop
5.61
Armature
resistance
4.02
Filtered
current
magnitude
5.53
Back
emf
5.59
Back emf
set point
1
5.08
Base
speed
Voltage error
to % error
conversion
3.02
Speed
feedback
5.68
5.69
Minimum flux
/ Voltage limit
Maximum flux
/ Voltage limit
X
0.XX
0.XX
Key
Read-write
(RW)
parameter
Read-only (RO)
parameter
Input
terminals
Output
terminals
Compensation
factor
6.55
Contactor
enable
DC
contactor
5.14
A1 A2
MA1 MA2
A1 A2
MA1 MA2
5.16
Armature
voltage select
5.08
Base
speed
5.09
Armature
rated voltage
5.04
Estimated
speed
(
5.07
X
5.61
)
Irated
Ra
100%
5.64
Field weakening
enable
5.62
P gain
5.63
I gain
Field
weakening
voltage
loop
100%
5.77
Enable
field control
100%
5.06
Machine
armature
voltage

Table of Contents

Related product manuals