EasyManua.ls Logo

Emerson Rosemount OCX8800A - Page 186

Emerson Rosemount OCX8800A
328 pages
Print Icon
To Next Page IconTo Next Page
To Next Page IconTo Next Page
To Previous Page IconTo Previous Page
To Previous Page IconTo Previous Page
Loading...
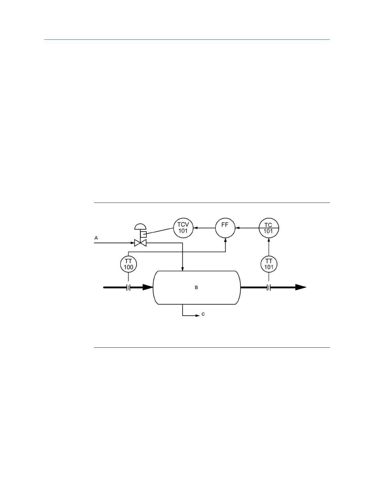
Feedforward control
Situation
In the the example in Basic proportional/integral/derivative (PID) block for steam
heater control, control problems can arise because of a time delay caused by
thermal inertia between the two flow streams (TT100 and TT101). Variations in the
inlet temperature (TT100) take an excessive amount of time to be sensed in the
outlet (TT101). This delay causes the produce to be out of the desired temperature
range.
Solution
Feedforward control is added to improve the response time of the basic
proportional/integral/derivative (PID) control. The temperature of the inlet
process fluid (TT100) is input to an analog input (AI) function block and is
connected to the FF_VAL connector on the PID block. Feedforward control is then
enabled (FF_ENABLE), the feedforward value is scaled (FF_SCALE), and a gain
(FF_GAIN) is determined. Figure 8-19 illustrates the process instrumentation
diagram, and Figure 8-20 illustrates the correct function block configuration.
Figure 8-19: PID Function Block Feedforward Example
A. Steam supply
B. Steam heater
C. Condensate
FOUNDATION
Fieldbus Manual
December 2022 00809-0500-4880
186 Emerson.com/Rosemount

Table of Contents

Related product manuals