EasyManua.ls Logo

Emerson Rosemount OCX8800A - Page 187

Emerson Rosemount OCX8800A
328 pages
Print Icon
To Next Page IconTo Next Page
To Next Page IconTo Next Page
To Previous Page IconTo Previous Page
To Previous Page IconTo Previous Page
Loading...
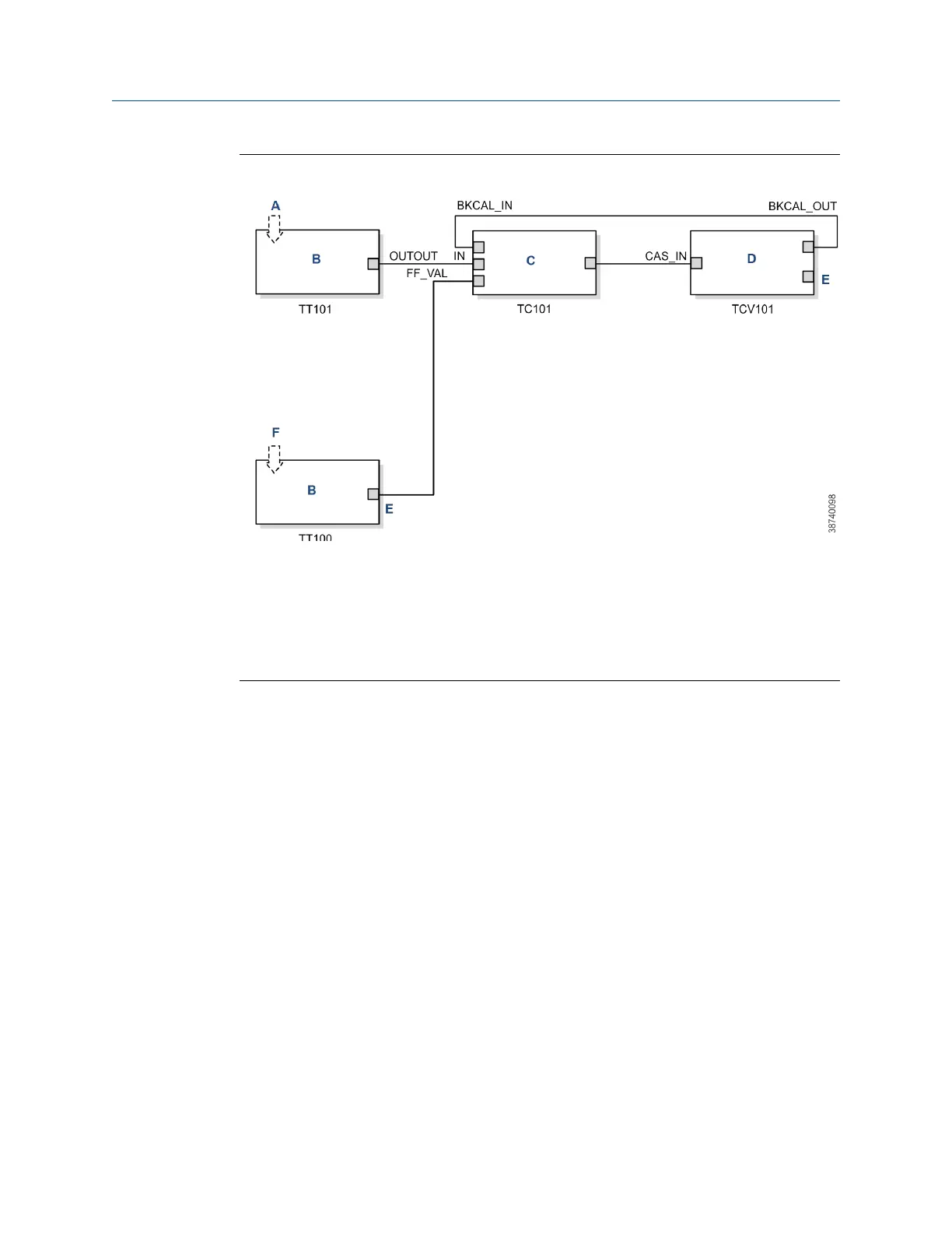
Figure 8-20: PID Function Block Diagram for Feedforward Control
A. Outlet temperature input
B. AI function block
C. PID function block
D. AO function block
E. Out
F. Inlet temperature input
Cascade control with master and slave loops
Situation
A slave loop is added to a basic proportional/integral derivative (PID) control
configuration to measure and control steam flow to the steam heater. Variations
in the steam pressure cause the temperature in the heat exchanger to change.
The temperature variation will later be sensed by TT101. The temperature
controller modifies the valve position to compensate for the steam pressure
change. The process is slow and causes variations in the product temperature.
Figure 8-21 illustrates the process instrumentation diagram.
Manual FOUNDATION
Fieldbus
00809-0500-4880 December 2022
Rosemount OCX8800A 187

Table of Contents

Related product manuals