EasyManua.ls Logo

Emerson Rosemount OCX8800A - Page 188

Emerson Rosemount OCX8800A
328 pages
Print Icon
To Next Page IconTo Next Page
To Next Page IconTo Next Page
To Previous Page IconTo Previous Page
To Previous Page IconTo Previous Page
Loading...
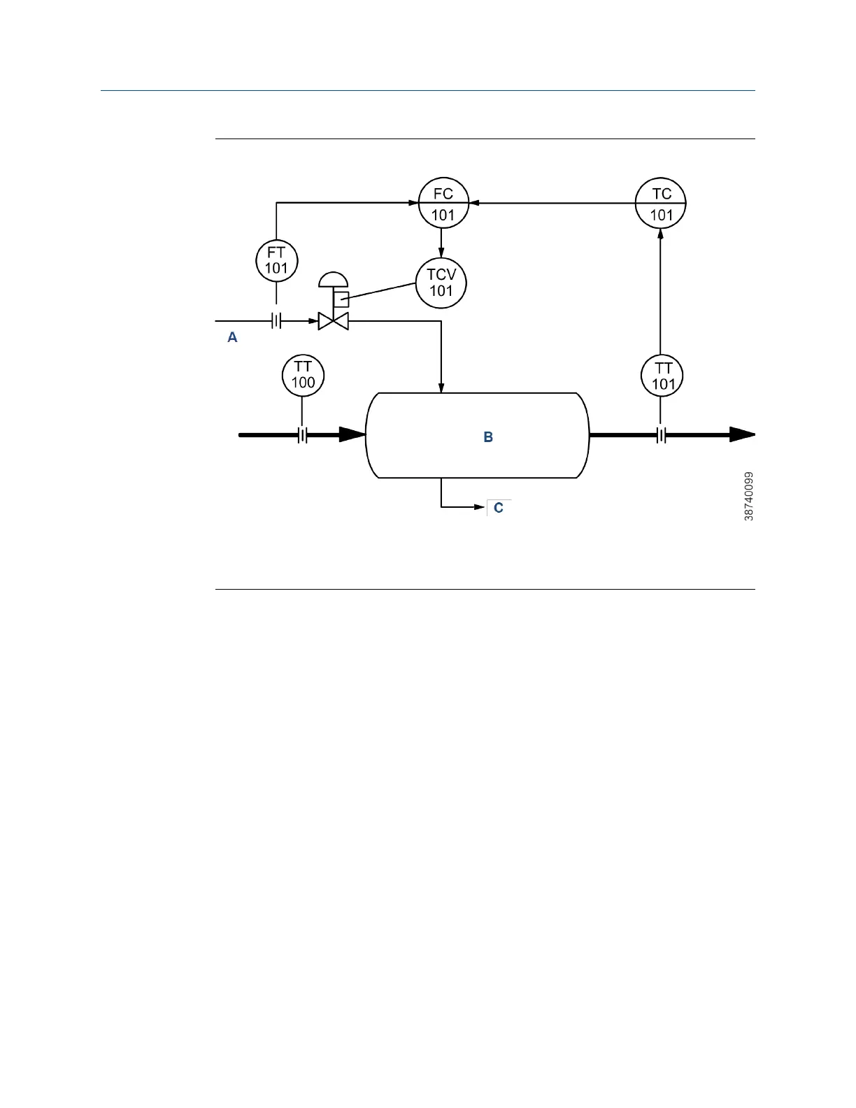
Figure 8-21: PID Function Block Cascade Control Example
A. Steam supply
B. Steam heater
C. Condensate
Solution
If the flow is controlled, steam pressure variations will be compensated before
they significantly affect the heat exchanger temperature. The output from the
master temperature loop is used as the setpoint for the slave steam flow loop.
The BKCAL_IN and BKCAL_OUT connections on the PID blocks are used to prevent
controller windup on the master loop when the slave loop is in Manual or
Automatic mode or it has reached an output constraint. Figure 8-22 illustrates the
correct function block configuration.
FOUNDATION
Fieldbus Manual
December 2022 00809-0500-4880
188 Emerson.com/Rosemount

Table of Contents

Related product manuals