EasyManua.ls Logo

Epson TM-C3500 Series - Page 78

Epson TM-C3500 Series
101 pages
Print Icon
To Next Page IconTo Next Page
To Next Page IconTo Next Page
To Previous Page IconTo Previous Page
To Previous Page IconTo Previous Page
Loading...
78
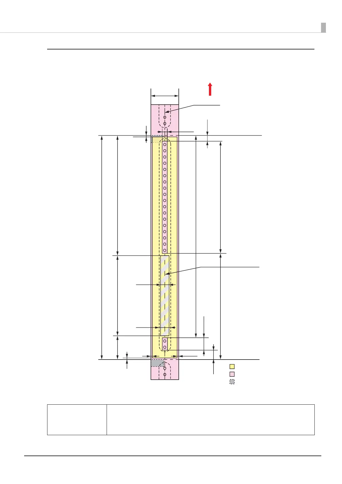
When Borderless Printing Disabled
Margins at top, bottom, right, and left: 1.5 mm (typical value)
c IMPORTANT
Do not print over holes for attaching snaps and within a distance of 2 mm
from the holes.
When using the WB-S/M/L series, use an attachment (OT-WA34).
Paper width
1.5 mm
Auto cut position
Paper feed
direction
Printable area
1.5 mm
Paper
Paper width center
5.5 mm
11.0 mm
1.5 mm
Recommended print area
for text or barcode
1.5 mm
30.6 mm
292.1 mm
156.5 mm105.0 mm
15.0 mm
265.0 mm
14.6 mm
12.5 mm
138.9 mm
142.4 mm
Auto cut position
10.8 mm
36 mm
Black mark position
(back side)

Table of Contents

Other manuals for Epson TM-C3500 Series

Related product manuals