EasyManua.ls Logo

Epson VT6-A901S - Example 2: External Safety Relay Typical Application

Epson VT6-A901S
274 pages
To Next Page IconTo Next Page
To Next Page IconTo Next Page
To Previous Page IconTo Previous Page
To Previous Page IconTo Previous Page
Loading...
Setup & Operation 12. EMERGENCY
92 VT Rev.1
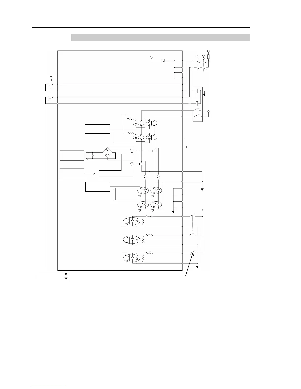
12.4.2 Example 2: External safety relay typical application
* For the protection of the
emergency stop circuit,
the fuses capacity
should be as follows:
- Meets the capacity of
the external safety
relay
- 0.4A or less
External safety relay
(The above diagram
is simplified for
representation.)
External
+24V
GND
+24V
+5V
Safety Door input 1
Safety Door input 2
Latch Release input
AC Input
Motor Driver
External +24V
Fuse
+
External
+24V
Manipulator
09
10
22
23
1
2
14
15
3
16
4
17
11
12
24
25
7
8
20
21
18
19
+
Main Circuit
Control
Emergency
Stop switch of
an Operation
Unit (TP)
Emergency
Stop detection
External
+24V
Latch release input Close :Latch off
Open :Latch on
External
+24V
GND
NOTE:+24V GND
+ 5V GND
External
+24V GND

Table of Contents

Other manuals for Epson VT6-A901S

Related product manuals