EasyManua.ls Logo

Ercogener GenPro 425e - Use of the Modem; Vehicle Usage Recommendations

Ercogener GenPro 425e
51 pages
Print Icon
To Next Page IconTo Next Page
To Next Page IconTo Next Page
To Previous Page IconTo Previous Page
To Previous Page IconTo Previous Page
Loading...
EG_GenPro425e_1103_UG_001_UK.docx
Page 39 / 51
Descriptions and non-contractual illustrations in this document are given as an indication only.
ercogener reserves the right to make any modifications.
Dct_427_02
5 Use of the modem
5.1 Specific recommendations for the use of the modem in vehicles
The power supply connector of the modem GenPro 425e must NEVER be connected directly
to the battery of the vehicle. The cable must be connected to a protected circuit, power
source PS1 (max 15W). Either by a 1A fuse under 12Vdc or by 0.5A fuse under 24Vdc
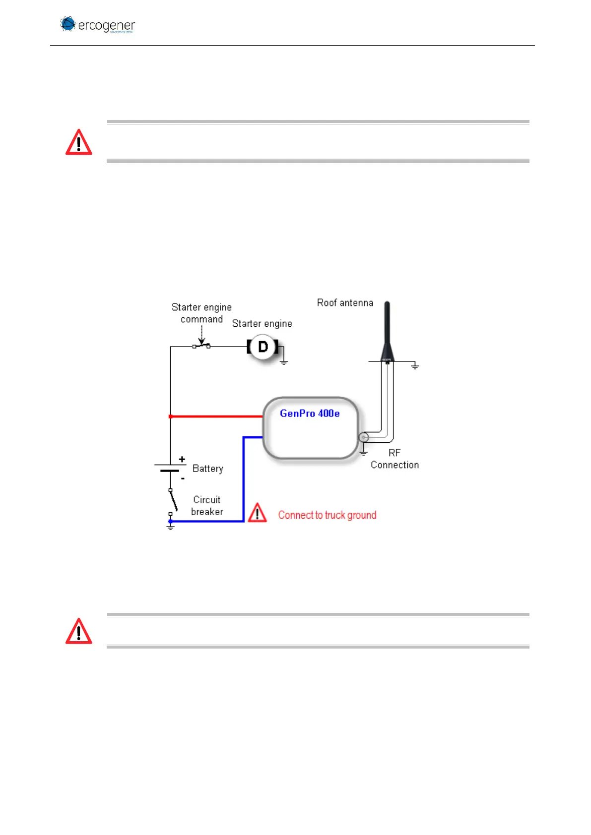
5.1.1 Recommended connection on the battery of a truck
All trucks have a circuit breaker outside the cabin. The circuit breaker is used for security reasons:
The circuit breaker is connected to the ground of the truck, usually connected to the fuse box.
Most of truck circuit breakers do not cut the + 'PLUS' of the battery, but cut its 'GROUND'.
Figure 23 : Recommended connection on the battery of a truck
The scheme above shows a recommended power connection where the connection of the modem ground is
not directly connected to the battery, but connected after the circuit breaker (on the ground of the truck or in
the fuse box).
If this scheme is not respected, the modem can be damaged when starting the truck if the
circuit breaker is open. It cannot support important starting currents.

Table of Contents

Other manuals for Ercogener GenPro 425e

Related product manuals