EasyManua.ls Logo

ERVOR G06 - Page 18

ERVOR G06
49 pages
Print Icon
To Next Page IconTo Next Page
To Next Page IconTo Next Page
To Previous Page IconTo Previous Page
To Previous Page IconTo Previous Page
Loading...
Page 18
ERVOR (SCA) - 6, Rue Désiré Granet - Z.I. du Val d'Argent - 95100 ARGENTEUIL FRANCE
(33) 01 34 11 50 00 (33) 01 34 11 50 10
Web : www.ervor.com - Email : info@ervor.com
Manual G06
Edition: 10/2015 - rev A
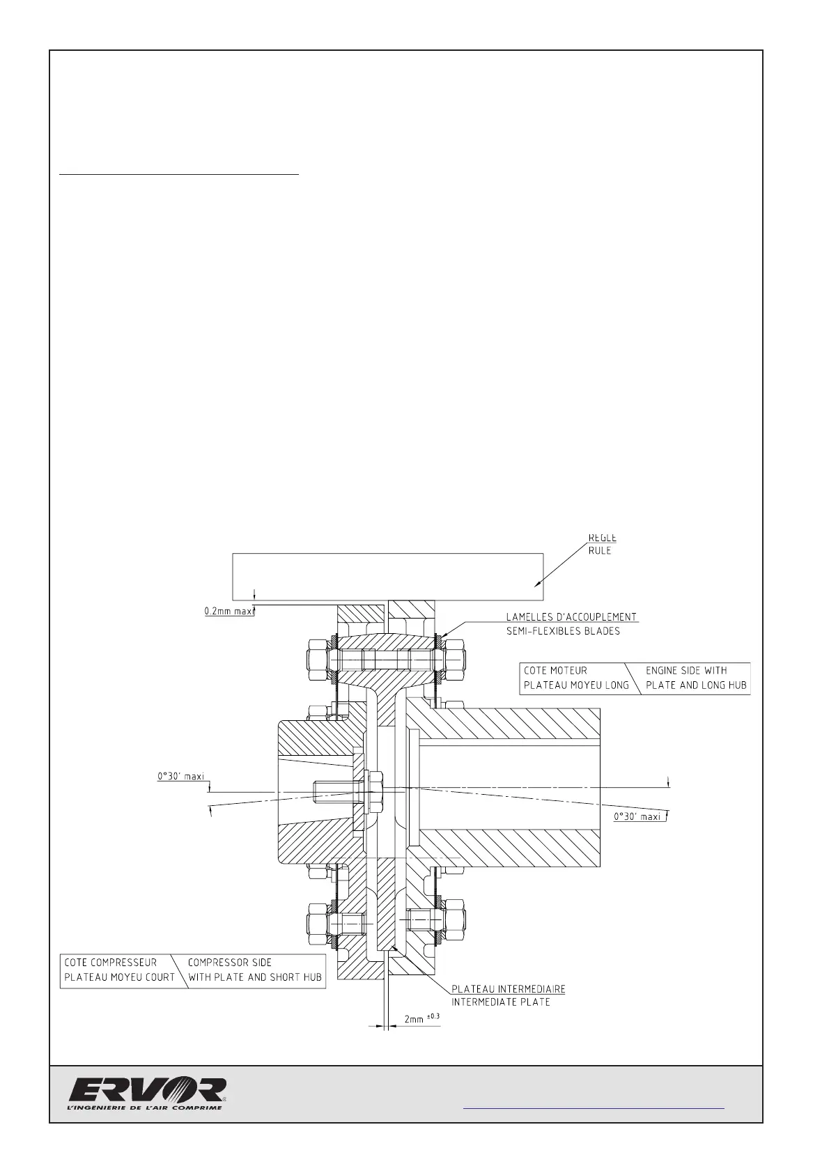
Ervor Type AC2 couplings allow a maximum linear misalignment of up to 0°30' between the
compressor and the drive motor in all directions.
Recommendations for assembly :
) Fit the short hub coupling plate on the end of the compressor drive shaft.
) Fit the long hub coupling plate on the end of the motor drive shaft.
) Mount the drive motor onto the common frame.
) Assemble the semi-elastic blades between the intermediate plate and the plate on the motor
drive side as shown below.
) Align the compressor and motor by adjusting the coupling according to the measurements
indicated in the illustration below; hand tighten.
) Check setting dimensions, adjust if necessary and tighten fixings.

Table of Contents