EasyManua.ls Logo

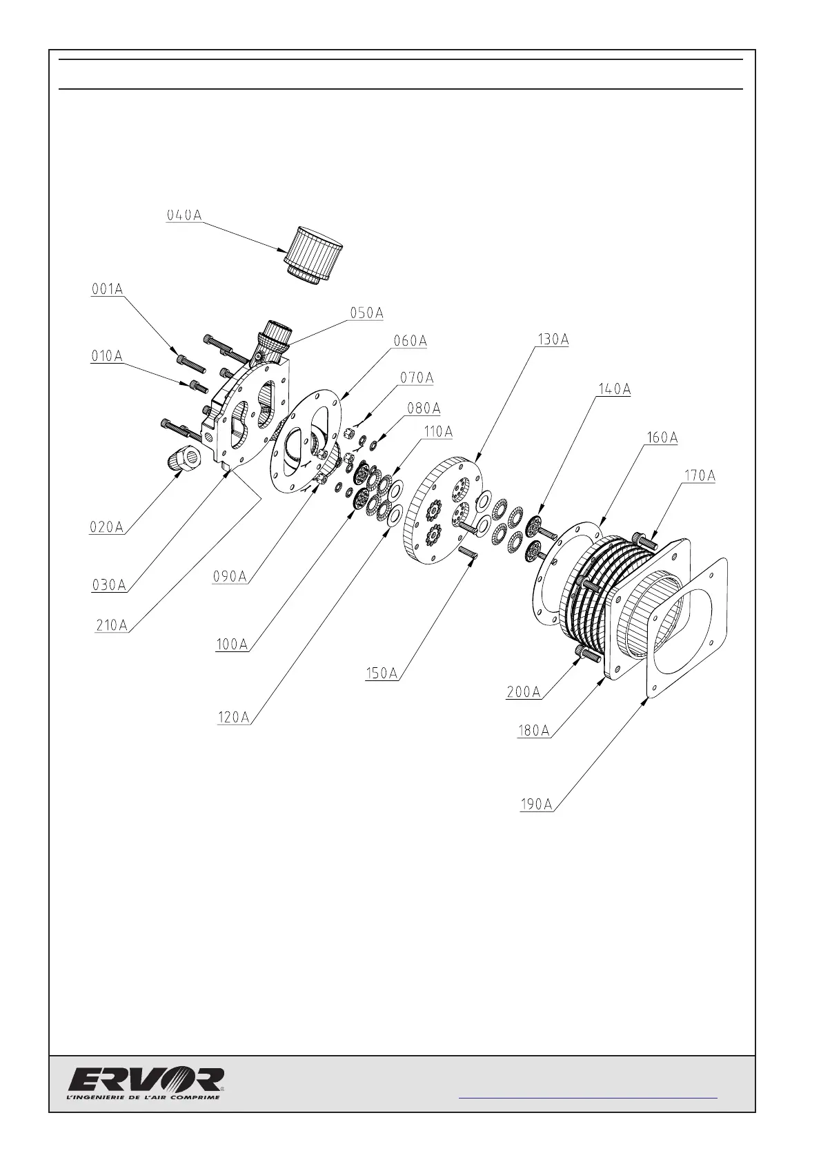
ERVOR G06 - D - Low Pressure Assembly

ERVOR G06
49 pages
Print Icon
To Next Page IconTo Next Page
To Next Page IconTo Next Page
To Previous Page IconTo Previous Page
To Previous Page IconTo Previous Page
Loading...
Page 40
ERVOR (SCA) - 6, Rue Désiré Granet - Z.I. du Val d'Argent - 95100 ARGENTEUIL FRANCE
(33) 01 34 11 50 00 (33) 01 34 11 50 10
Web : www.ervor.com - Email : info@ervor.com
Manual G06
Edition: 10/2015 - rev A
13 - D - LOW PRESSURE ASSEMBLY
ILLUSTRATION N° 3

Table of Contents