EasyManua.ls Logo

ERVOR G06 - B - Cylinder Heads & Valves

ERVOR G06
49 pages
Print Icon
To Next Page IconTo Next Page
To Next Page IconTo Next Page
To Previous Page IconTo Previous Page
To Previous Page IconTo Previous Page
Loading...
Page 26
ERVOR (SCA) - 6, Rue Désiré Granet - Z.I. du Val d'Argent - 95100 ARGENTEUIL FRANCE
(33) 01 34 11 50 00 (33) 01 34 11 50 10
Web : www.ervor.com - Email : info@ervor.com
Manual G06
Edition: 10/2015 - rev A
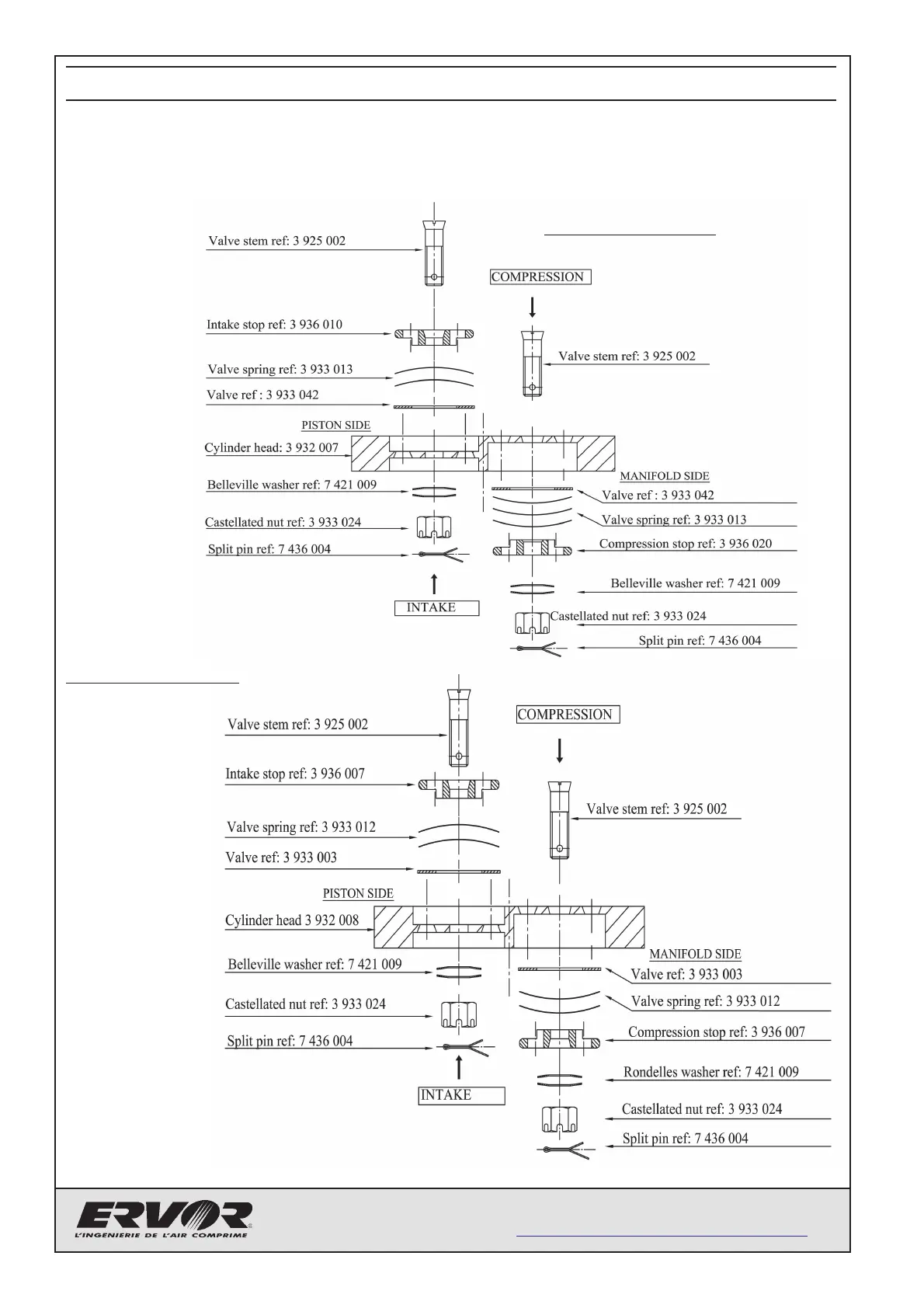
10 - B - CYLINDER HEADS & VALVES
Intake and compression valves are made of annular discs which operate automatically.
Good water-tightness is necessary between the discs and their seats (avoid running the compressor
with clogged valves, with carbon deposits, oil carbon or more importantly, with broken valves).
Low Pressure stage
High Pressure stage

Table of Contents