EasyManua.ls Logo

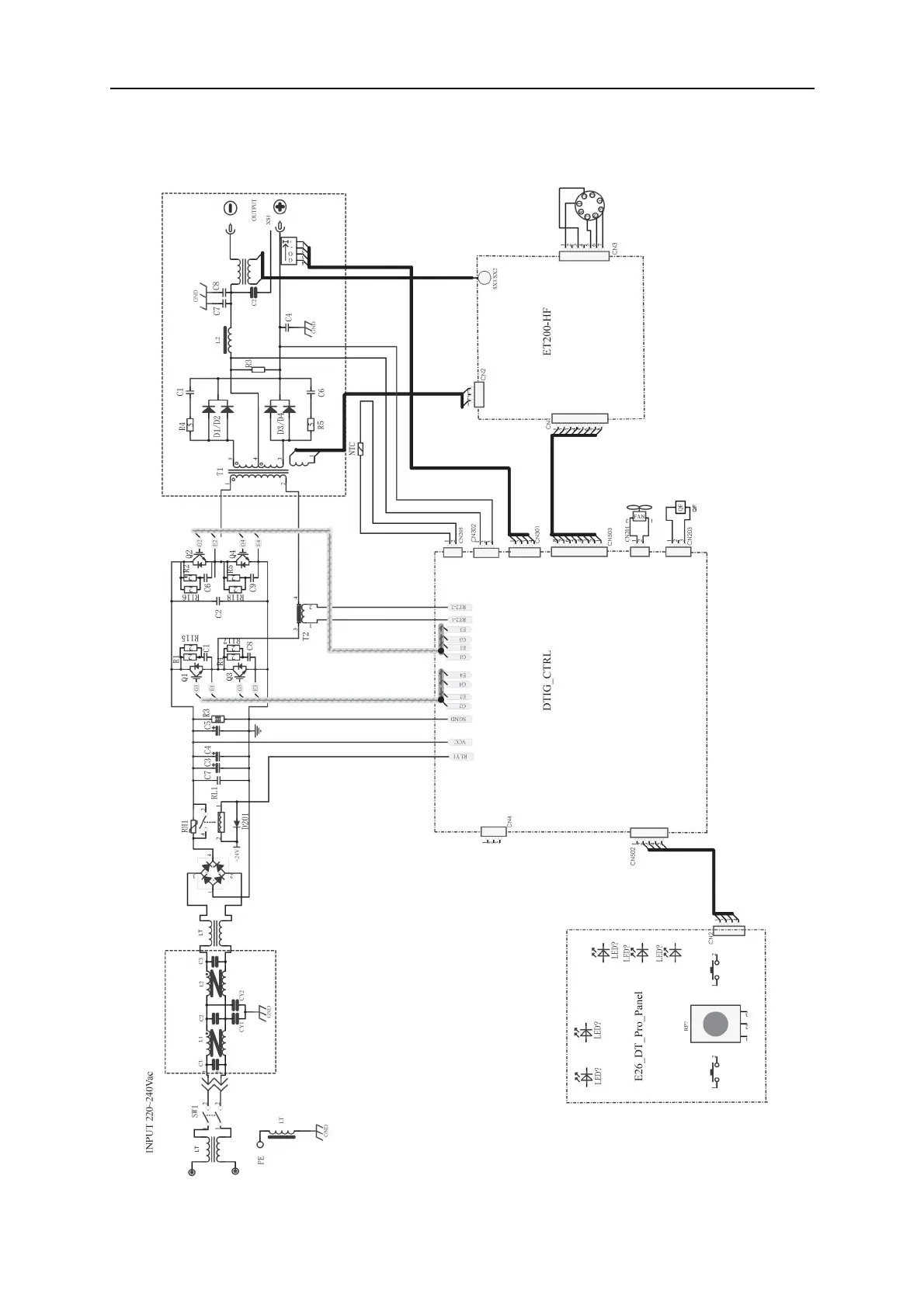
ESAB ES 150i - Wiring Diagram: ET 200 iP

ESAB ES 150i
64 pages
Print Icon
To Next Page IconTo Next Page
To Next Page IconTo Next Page
To Previous Page IconTo Previous Page
To Previous Page IconTo Previous Page
Loading...
WIRING DIAGRAM
0463 714 001
- 22 -
© ESAB AB 2020
ET 200iP
From serial number HA027-xxxx-xxxx