EasyManua.ls Logo

eschmann SES2000 VAC LS3 - Fig.2.3 Autoclave: Pipes and Valves

eschmann SES2000 VAC LS3
56 pages
Print Icon
To Next Page IconTo Next Page
To Next Page IconTo Next Page
To Previous Page IconTo Previous Page
To Previous Page IconTo Previous Page
Loading...
Part 2 SES 2000 Vac (LS3) AUTOCLAVE
Page 14 of 53 ST-SM45g
PART 2 DESCRIPTION
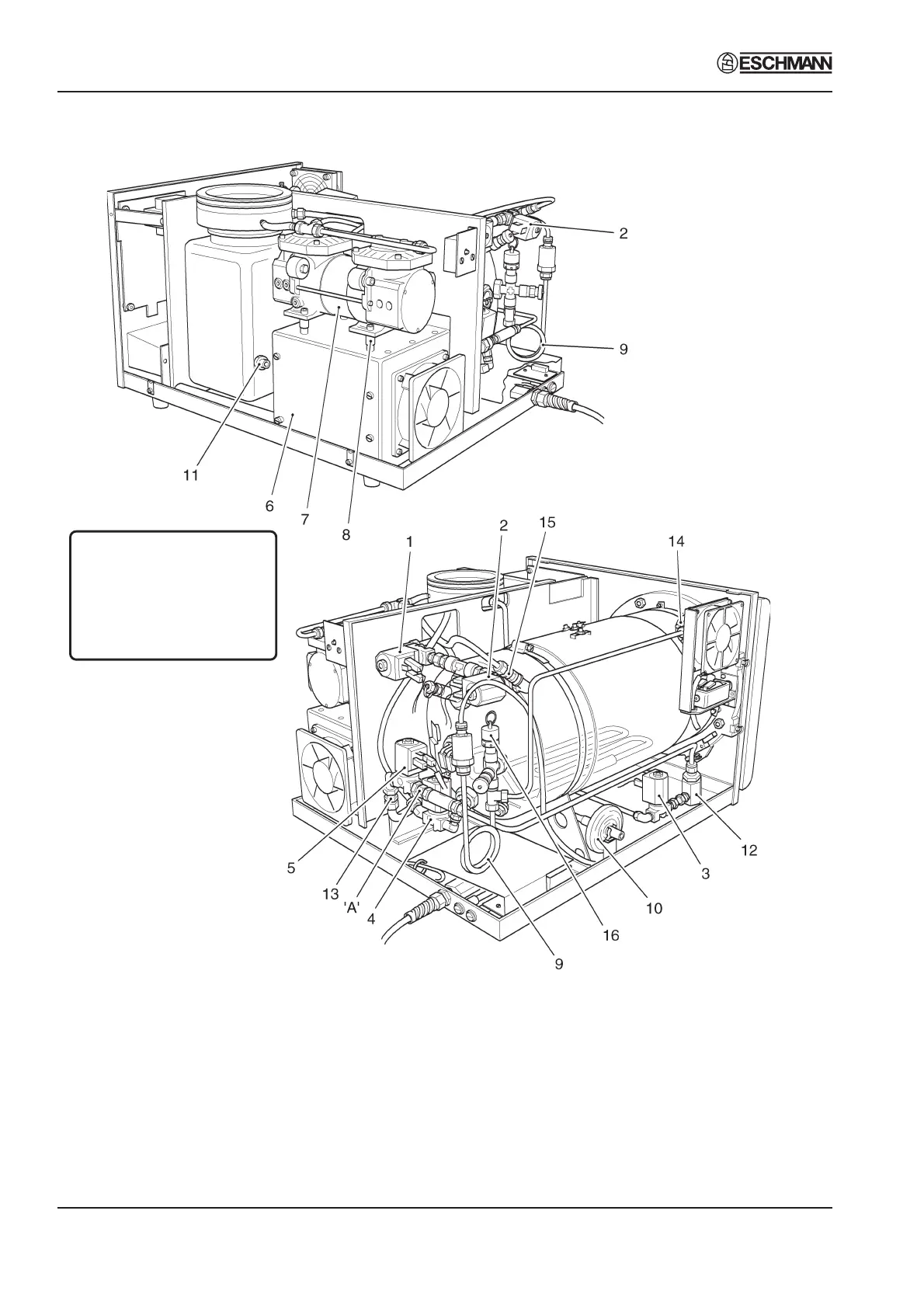
'A' - Stud coupling nut
1 Vacuum valve 9 Transducer coil
2 Steam bleed solenoid valve 10 Bacterial air filter
3 Water discharge valve 11 Reservoir float switch
4 Water fill valve 12 Discharge line filter
5 Air in valve 13 Non-return valve
6 Condenser 14 Pressure door lock
7 Vacuum pump 15 Steam bleed valve
8 Pump foot 16 Safety valve
Fig. 2.3 Autoclave: Pipes and Valves
Note: Some autoclaves will
have a different pump to
that shown. See
maintenance section and
parts list for pump
replacement details.

Table of Contents

Related product manuals