EasyManua.ls Logo

eschmann SES2000 VAC LS3 - Page 39

eschmann SES2000 VAC LS3
56 pages
Print Icon
To Next Page IconTo Next Page
To Next Page IconTo Next Page
To Previous Page IconTo Previous Page
To Previous Page IconTo Previous Page
Loading...
SES 2000 Vac (LS3) AUTOCLAVE Part 3
ST-SM45g Page 39 of 53
PART 3 MAINTENANCE
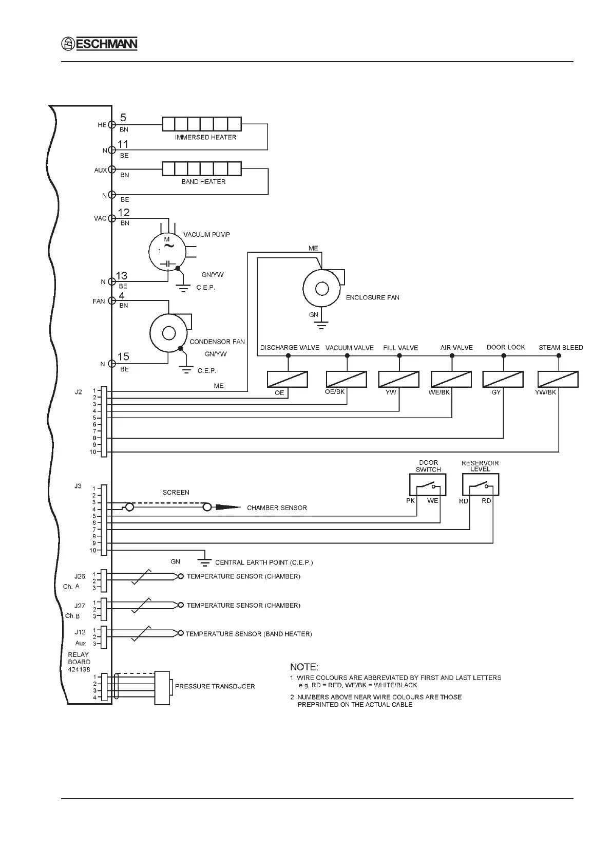
Fig. 3.5 SES 2000 vacuum autoclave: System Circuit Diagram (Sheet 2)

Table of Contents

Related product manuals