EasyManua.ls Logo

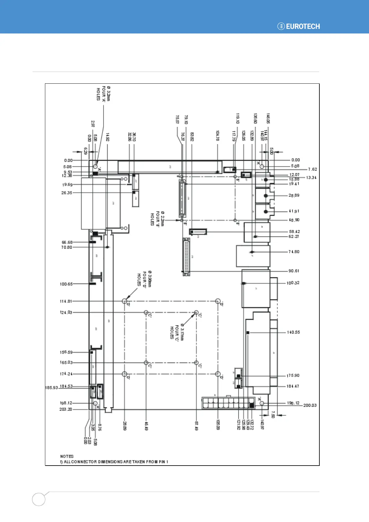
Eurotech Apollo - Appendix B - APOLLO Mechanical Diagram

Eurotech Apollo
145 pages
Print Icon
To Next Page IconTo Next Page
To Next Page IconTo Next Page
To Previous Page IconTo Previous Page
To Previous Page IconTo Previous Page
Loading...
ISIS user manual
Issue G
130
Appendix B – APOLLO mechanical diagram

Table of Contents

Other manuals for Eurotech Apollo

Related product manuals