EasyManua.ls Logo

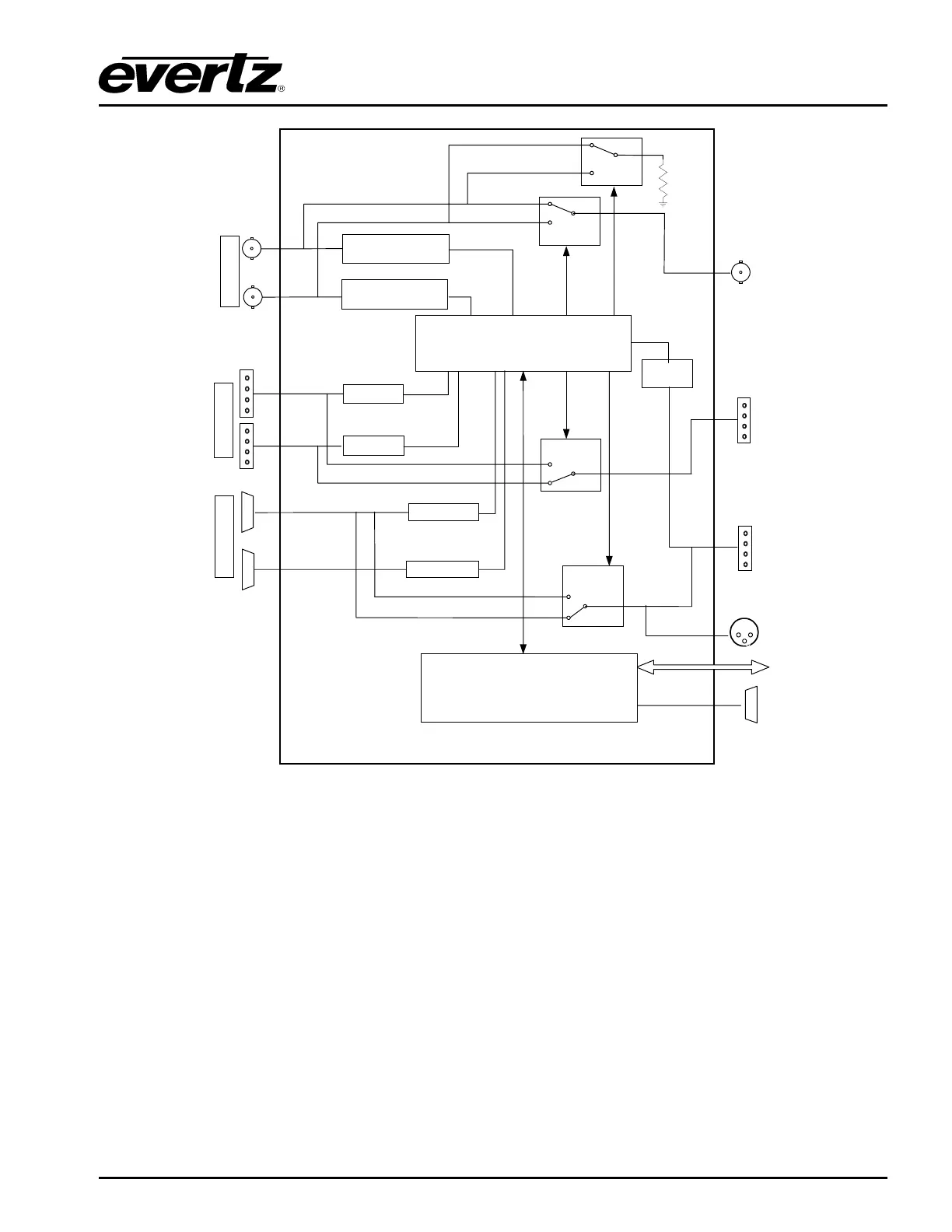
evertz 5600ACO2 - Figure 1-1: 5600 ACO2 Block Diagram

Default Icon
52 pages
Print Icon
To Next Page IconTo Next Page
To Next Page IconTo Next Page
To Previous Page IconTo Previous Page
To Previous Page IconTo Previous Page
Loading...
Model 5600ACO2 Automatic Changeover Unit
HD/SD EQ, Video Sync
Slicer, 10MHz/ Wordclock
Slicer
AES Rx
AES Rx
Balanced AES (2)
A
nanlog Audio (2)
Inputs
A
B
HD/SD SDI (8
SYNC (6)
A
TG
10MHz/Wordclock
Unbalanced AES (2)
Out
Balanced AES (2)
Analog Audio (2)
Out
Latching
Relays
VistaLINK
®
Interface
A
B
GPO
Interface
Format Validation
GPIO Processor
Selector Guide
Latching
Relays
A
B
Internal
Termination
LTC (2)
GPI (2)
Inputs
GPO from processor (2)
GPI Out (2)
LTC Slicer, GPI
LTC Slicer, GPI
LTC (2)
Out
CPU
Latching
Relays
Latching
Relays
COM
(RS232)
HD/SD EQ, Video Sync
Slicer, 10MHz/ Wordclock
Slicer
HD/SD SDI (8)
SYNC (6)
A
TG
10MHz/Wordclock
Unbalanced AES (2)
Inputs
Figure 1-1: 5600ACO2 Block Diagram
OVERVIEW
Revision 1.3 Page 1-3

Table of Contents

Related product manuals