EasyManua.ls Logo

Evoqua V10K - Wiring Diagram

Evoqua V10K
72 pages
Print Icon
To Next Page IconTo Next Page
To Next Page IconTo Next Page
To Previous Page IconTo Previous Page
To Previous Page IconTo Previous Page
Loading...
V10k automatic 8. Wiring diagram
67
EN
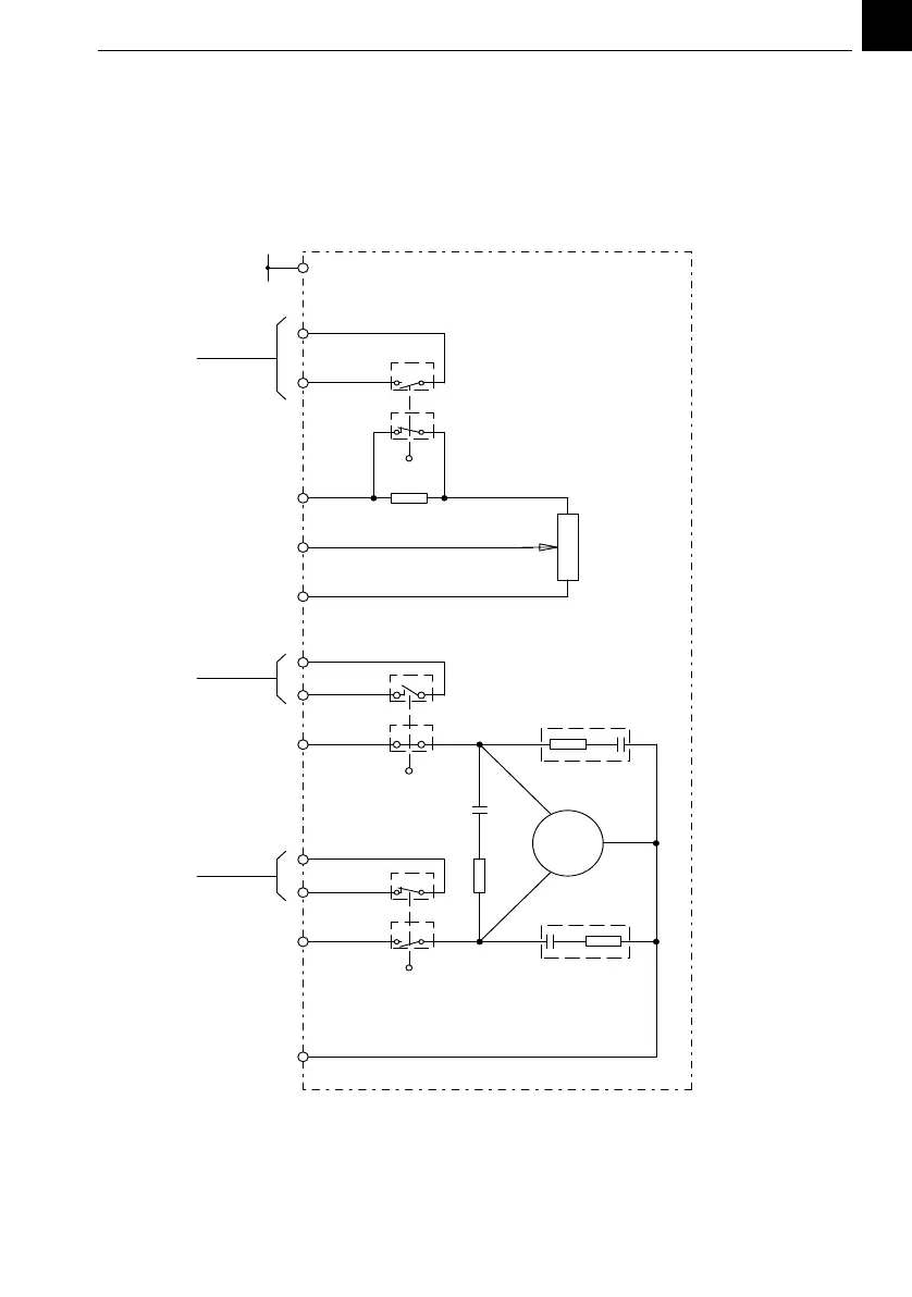
8. Wiring diagram
Positioner drawn closed / Mode of operation: Automatic
2
8
3
10
-C13
7
9
15
12
11
14
13
1
PE
M
1~
MIN
MAX
S1
S2
RC1 RC2
S5 S6
1k
MIN
RÜCKMELDEPOTI
AUTO/MANUELL
L2/N MIN MAX
0% 100%
STELLANTRIEB - V10k GASDOSIERANLAGE, FLÜSSIGREGELVENTIL
115V C1=0,47uF
230V C1=0,12uF
MAX
S4S3
POSITIONER - V10k CHLORINATOR, ELECTRIC PROPORTIONING VALVE
AUTO/MANUAL
POSITIONER FEEDBACK
POSITIONNEUR - DOSEUR V10K, VANNE MODULANTE
POTENTIOMETRE
DE RECOPIE
ZU/DEC AUF/INC
FERME OUVRE
pot.frei
MIN
pot.free
libre de potentiel
pot.frei
MAX
pot.free
libre de potentiel
AUTO/MANUEL
AUTO/MANUELL
AUTO/MANUAL
pot.frei/pot.free
libre de potentiel
AUTO/MANUEL

Related product manuals