EasyManua.ls Logo

FEC HFC3000 - Input and Output Circuit Specifications and Recommended Connection Circuit

FEC HFC3000
196 pages
Print Icon
To Next Page IconTo Next Page
To Next Page IconTo Next Page
To Previous Page IconTo Previous Page
To Previous Page IconTo Previous Page
Loading...
Chapter 4 Installation
PAGE 4-9
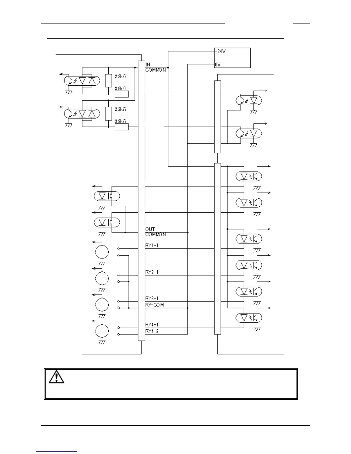
4-5-3 Input and Output Circuit Specifications and Recommended Connection Circuit
*The above diagram shows an NPN type connection example.
The I/O hardware accommodates both positive and negative polarities and both
NPN (sink - common) type and PNP (source + common) type connection may
be used.
Unit I/O circuit
Input circuit
Output circuit
PLC output circuit
DC power
source
PLC input circuit
Input signal
Input signal
Caution
Output signal
Output signal

Table of Contents

Related product manuals