EasyManua.ls Logo

Festo MecLab - Complete Logic Program

Festo MecLab
90 pages
Print Icon
To Next Page IconTo Next Page
To Next Page IconTo Next Page
To Previous Page IconTo Previous Page
To Previous Page IconTo Previous Page
Loading...
© 2008 Festo Corporation 74 U
Getting Started with Festo MecLab
Handling Station
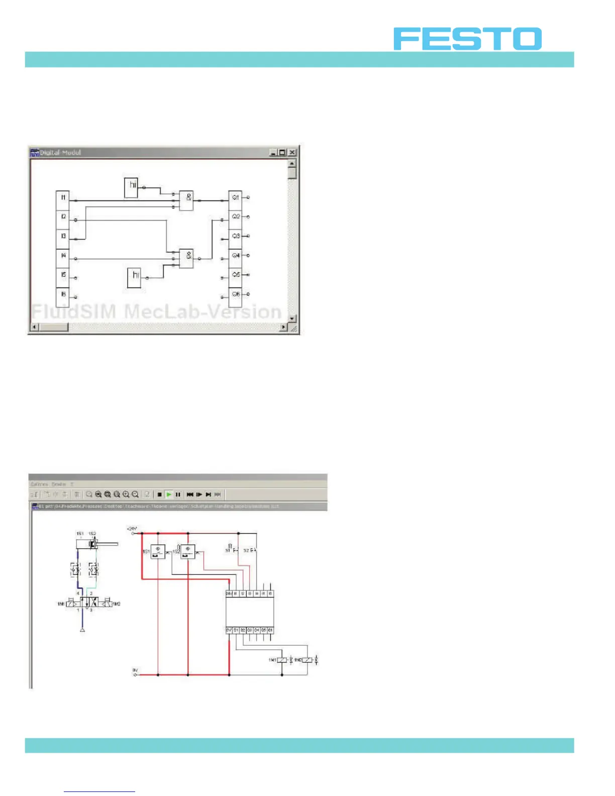
Figure 6.15: Complete logic program
Testing the solution via simulation
Start the simulation by clicking on the Start button (the arrow button on the toolbar).
Press pushbutton S1 . The cylinder should extend. Press pushbutton S2. The cylinder should
retract.
Note
The cylinder cannot retract until it has reached the fully extended position.
Figure 6.16: Simulating the circuit

Table of Contents

Related product manuals