EasyManua.ls Logo

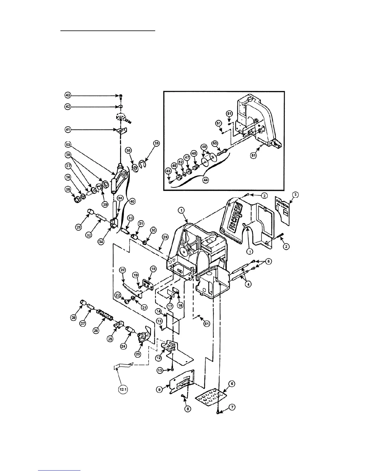
FISCHBEIN F - Housing, Needle Lever, Presser Foot

FISCHBEIN F
44 pages
Print Icon
To Next Page IconTo Next Page
To Next Page IconTo Next Page
To Previous Page IconTo Previous Page
To Previous Page IconTo Previous Page
Loading...
FISCHBEINCOMPANY
The Leader in Bag Closing Technology
REF : 14810F-GB
ED.A10/2001
31
PLATE A - HOUSING, NEEDLE LEVER, PRESSER FOOT.

Other manuals for FISCHBEIN F

Related product manuals