EasyManua.ls Logo

Fleck 7000 - Dimensions; Unit Physical Dimensions

Fleck 7000
36 pages
Print Icon
To Next Page IconTo Next Page
To Next Page IconTo Next Page
To Previous Page IconTo Previous Page
To Previous Page IconTo Previous Page
Loading...
Page 31
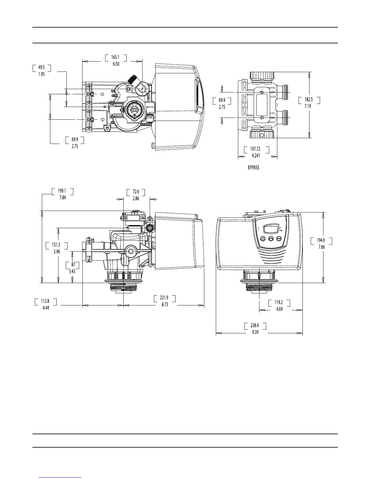
Dimensions

Other manuals for Fleck 7000

Related product manuals