EasyManua.ls Logo

Fleck 7000 - Removing Gear Box Assembly; Gear Box Removal Steps

Fleck 7000
36 pages
Print Icon
To Next Page IconTo Next Page
To Next Page IconTo Next Page
To Previous Page IconTo Previous Page
To Previous Page IconTo Previous Page
Loading...
Page 28
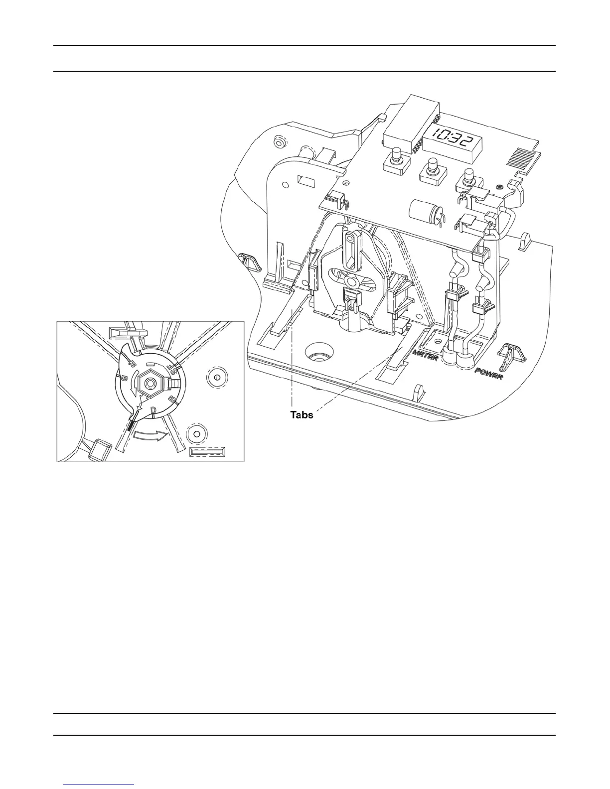
Removing Gear Box Assembly
1. Unplug the power source.
2. With 3/8” nut driver, turn the cycle cam counter-clockwise to the position shown in illustration above.
3. Slightly pull the two tabs outward and push the gearbox slightly upward to remove.
. When returning valve to service after powerhead disassembly, manually step valve through regeneration
using the extra cycle button until valve is in service.

Other manuals for Fleck 7000

Related product manuals