EasyManua.ls Logo

FlexGain FOM16 - Page 47

FlexGain FOM16
50 pages
Print Icon
To Next Page IconTo Next Page
To Next Page IconTo Next Page
To Previous Page IconTo Previous Page
To Previous Page IconTo Previous Page
Loading...
FOM16 Installation Description
FOM16-V2.0-20021114
-43-
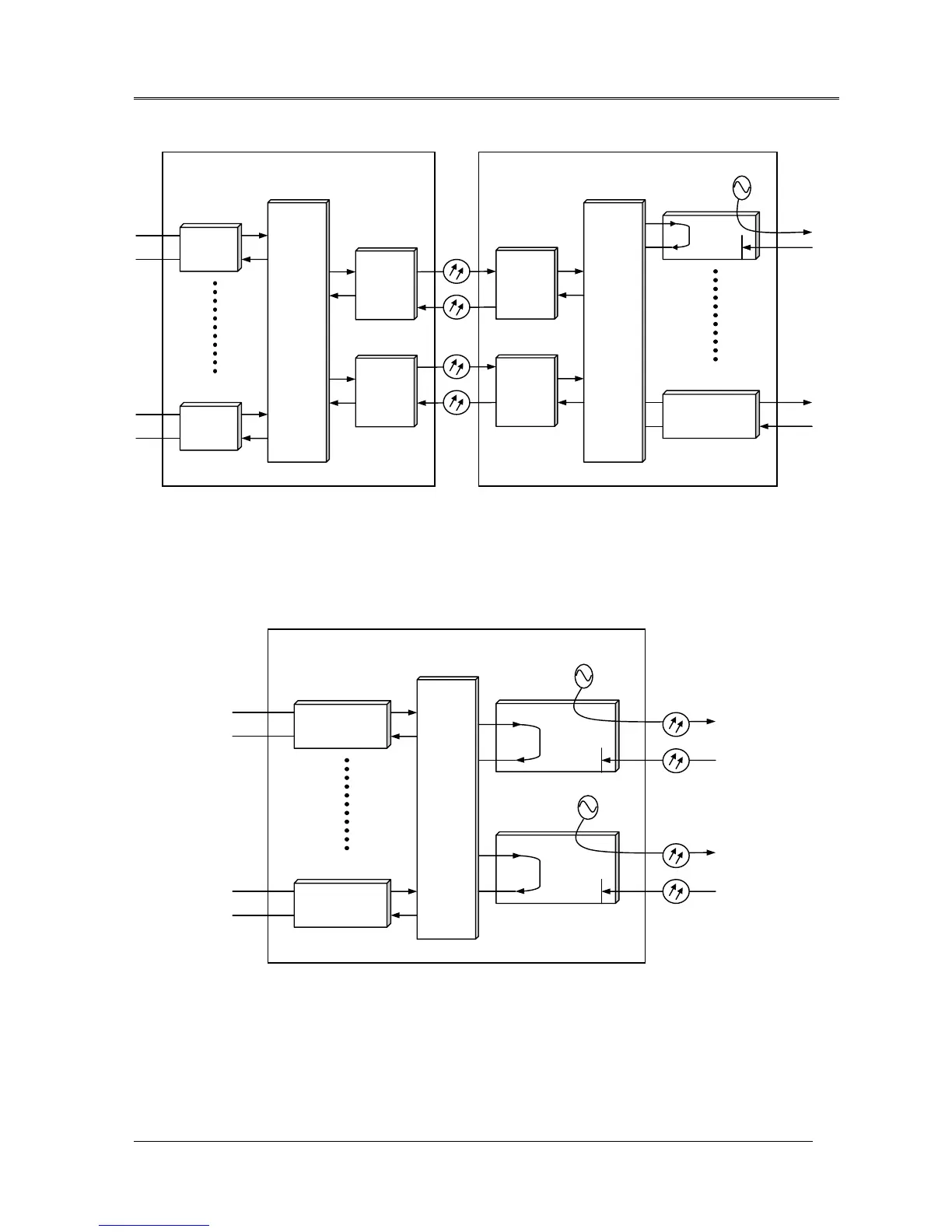
MUX
DEMUX
Optical
Interface
Tributary
Interface
Tributary
Interface
AIS
Remote FOM16
Optical
Interface
Fig.29 Low-speed remote loopback
MUX
DEMUX
Optical
Interface
Local FOM16
Optical
Interface
Tributary
Interface
Tributary
Interface
Fig.30 Optical local loopback
Tributary
Interface
MUX
DEMUX
Optical
Interface
Tributary
Interface
AIS
Local FOM16
Optical
Interface
AIS

Related product manuals